

第1页 / 共38页

第2页 / 共38页

第3页 / 共38页

第4页 / 共38页

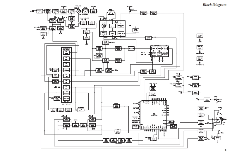
第5页 / 共38页
试读已结束,还剩33页,您可下载完整版后进行离线阅读
THE END
SVertex StandardVERTEX STANDARD CO.,LTD.4-8-8 Nakameguro,Meguro-Ku,Tokyo 153-8644,JapanVERTEX STANDARDUHF FM Transceiver00Wteet CypressCA903.U.SAIS HYAESU UK LTD.VX-230 Seriesgaae668aucooVERTEX STANDARD HK LTD.Unit 5,20/F.,Seaview Centre,139-141 Hoi Bun Road,Service ManualKwun Tong,Kowloon,Hong KongVERTEX STANDARD (AUSTRALIA)PTY.,LTD.Normanby Business Park,Unit 14/45 Normanby Road2010 VERTEX STANDARD CO.,LTD.EC085U90ENotting Hill 3168,Victoria,AustraliaIntroductionThis manual provides technical information necessary for servicing the VX-230 FM Transceiver.Servicing this equipment requires expertise in handling surface-mount chip components.Attempts by non-qualified persons to ser-vice this equipment may result in permanent damage not covered by the warranty,and may be illegal in some countries.Two PCB layout diagrams are provided for each double-sided circuit board in the transceiver.Each side of is referred to by the typeof the majority of components installed on that side("leaded"or"chip-only").In most cases one side has only chip components,andthe other has either a mixture of both chip and leaded components (trimmers,coils,electrolytic capacitors,ICs,etc.),or leadedcomponents only.While we believe the technical information in this manual to be correct,VERTEX STANDARD assumes no liability for damage thatmay occur as a result of typographical or other errors that may be present.Your cooperation in pointing out any inconsistencies in thetechnical information would be appreciated.Important NoteThis transceiver was assembled using Pb(lead)free solder,based on the RoHS specification.Only lead-free solder(Alloy Composition:Sn-3.0Ag-0.5Cu)should be used for repairs performed on this apparatus.Thesolder stated above utilizes the alloy composition required for compliance with the lead-free specification,and any solder withthe above alloy composition may be used.ContentsSpecifications.2AlignmentExploded View Miscellaneous Parts .................3MAIN Unit (Lot.1~5).........17BlockMAIN Unit (Lot.6~).........21Circuit Description….7MAIN Unit Parts List......25
请登录后查看评论内容