

第1页 / 共45页

第2页 / 共45页

第3页 / 共45页

第4页 / 共45页

第5页 / 共45页
试读已结束,还剩40页,您可下载完整版后进行离线阅读
THE END
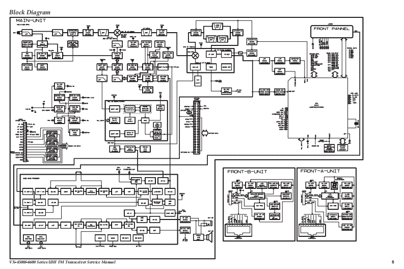
SVertex StandardUHF FM TransceiverVertex Standard LMR,Inc.4-8-8 Nakameguro,Meguro-Ku,Tokyo 153-8644,JapanVX-4500 SeriesVX-4600 SeriesC2013 Vertex Standard LMR,Inc.EC093U90GService Manual☑酸8L精0dH日P88A B-VERTEX-P1P41】VX-4500 SeriesVX-4600 SeriesIntroductionThis manual provides the technical information necessary for servicing the VX-4500/-4600 Series Mobile Transceiver.Servicing this equipment requires expertise in handing surface-mount chip components.Attempts by non-qualified persons toservice this equipment may result in pemmanent damage not covered by the warranty,and may be illegal in some countries.Two PCB layout diagrams are provided for each double-sided board in this transceiver.Each side ofthe board is referred to by thetype of the majority of components installed on that side("Side A"or"Side B").In most cases one side has only chip components(surface-mount devices),and the other has either a mixture of both chip and leaded components(trimmers,coils,electrolyticcapacitors,ICs,etc.),or leaded components only.As described in the pages to follow,the advanced microprocessor design of the VX-4500/-4600 allows a complete alignment ofthis transceiver to be performed without opening the case of the radio;all adjustments can be performed from the personalcomputer,using with the Vertex Standard FIF-12 USB Programming Interface and CE115 Software.While we believe the information in this manual to be correct,Vertex Standard assumes no liability for damage that may occur asa result of typographical or other errors that may be present.Your cooperation in pointing out any inconsistencies in the technicalinformation would be appreciated.Important NoteThe VX-4500/-4600 was assembled using Pb(lead)free solder,based on the RoHS specification.Only lead-free solder(Alloy Composition:Sn-3.0Ag-0.5Cu)should be used for repairs performed on this apparatus.Thesolder stated above utilizes the alloy composition required for compliance with the lead-free specification,and any solderwith the above alloy composition may be used.ContentsSpecificatio nS2Installation of Option23DSUB 15-pin Accessory Connector...3Board Units(Schematics Layouts)Exploded View Miscellaneous Parts...4MAIN Unit.24Block Diagram ..........nn5FRONT-A Unit(VX-4500)36Parts List。6FRONT-B Unit (VX-4600).40Circuit Desc ription......7Optional Units (Schematics Layouts)AlignmeDVS-8 Voice Storage Unit..4VX-4500/-4600 Series UHF FM Transceiver Service Manual1
请登录后查看评论内容