

第1页 / 共10页

第2页 / 共10页

第3页 / 共10页

第4页 / 共10页

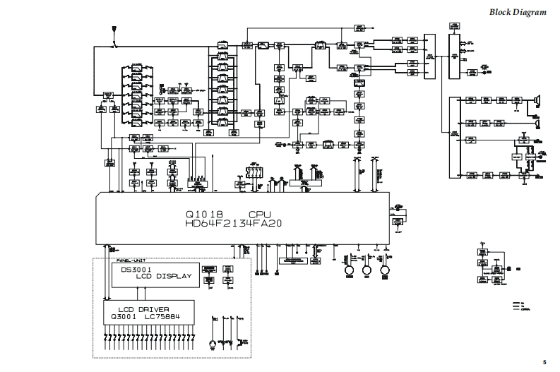
第5页 / 共10页
试读已结束,还剩5页,您可下载完整版后进行离线阅读
THE END
Vertex StandardVERTEX STANDARD CO.,LTD.4-8-8 Nakameguro,Meguro-Ku,Tokyo 153-8644,JapanVERTEX STANDARDVX-1700 SeriestCypressC.AYAESU EUROPE B.V.HF Multi Mode Mobile RadioP.O.Box 75525,1118 ZN Schiphol,The NetherlandsYAESU UK LTD.Service ManualUnit 12,Sun Valley Business Park,Winnall CloseWinchester,Hampshire,SO23 OLB.U.K.For USA VersionVERTEX STANDARD HK LTD.Unit 5,20/F.,Seaview Centre,139-141 Hoi Bun Road,2005 VERTEX STANDARD CO.,LTD.EC051H95AKwun Tong,Kowloon,Hong KongIntroductionThis manual provides the technical information necessary for servicing the VX-1700 HF Transceiver.Servicing this equipment requires expertise in handing surface-mount chip components.Attempts by non-qualified persons to service this equipment may result in permanent damage not covered by the warranty,and may be illegal in some countries.Two PCB layout diagrams are provided for each double-sided board in this transceiver.Each side of the boardis referred to by the type of the majority of components installed on that side("Side A"or"Side B").In mostcases one side has only chip components(surface-mount devices),and the other has either a mixture of bothchip and leaded components(trimmers,coils,electrolytic capacitors,ICs,etc.),or leaded components only.As described in the pages to follow,the advanced microprocessor design of the VX-1700 Transceiver allows acomplete alignment of this transceiver to be performed without opening the case of the radio;all adjustmentscan be performed from the front panel,using the "Alignment Mode"menu.While we believe the information in this manual to be correct,VERTEX STANDARD assumes no liability fordamage that may occur as a result of typographical or other errors that may be present.Your cooperation inpointing out any inconsistencies in the technical information would be appreciated.ContentsSpecifications...........…2Exploded View Miscellaneous Parts...3Block Diagram.......5Connection Diagram…6Circuit Description........7Connector Pinout Diagrams ................10Alignment….11ALE-1 Automatic Link Establishment Unit Installatior.19CE77 PC Programming Software............21Board Units(Schematics,Layouts Parts)MAIN Unit….49PA Unit.71PANEL Unit..............81GPS-INTERFACE Unit.........87MIC Unit..91ENC Unit.92ALE Unit(Option).93
请登录后查看评论内容