

第1页 / 共58页

第2页 / 共58页

第3页 / 共58页

第4页 / 共58页

第5页 / 共58页

第6页 / 共58页

第7页 / 共58页

第8页 / 共58页

第9页 / 共58页

第10页 / 共58页
试读已结束,还剩48页,您可下载完整版后进行离线阅读
THE END
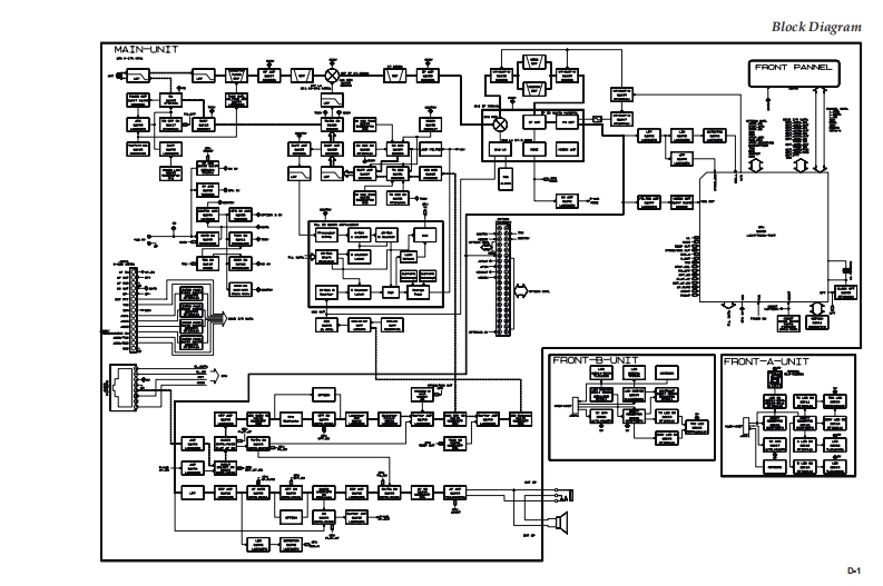
Vertex StandardY5EXsANPAR8,C9aR64.JpanVERTEX STANDARDVHF FM Transceiver9859eStcps,cA90630,UsAYAESU EUROPE B.V.VX-2100 SeriesP.O.Box 75525,1118 ZN Schiphol,The NetherlandsYAESU UK LTD.VX-2200 SeriesWnceserName CosVERTEX STANDARD HK LTD.Unit 5,20/F.,Seaview Centre,139-141 Hoi Bun Road,Service ManualKwun Tong.Kowloon,Hong KongVERTEX STANDARD (AUSTRALIA)PTY.,LTD.2006 VERTEX STANDARD CO.,LTD.EC061N90CNormanby Business Park,Unit 14/45 Normanby RoadNotting Hill 3168,Vicloria,Australia■■■VX-2100 SeriesVX-2200 SeriesIntroductionThis manual provides the technical information necessary for servicing the VX-2100/-2200 Series Mobile Transceiver.Servicing this equipment requires expertise in handing surface-mount chip components.Attempts by non-qualifiedpersons to service this equipment may result in permanent damage not covered by the warranty,and may be illegalin some countries.Two PCB layout diagrams are provided for each double-sided board in this transceiver.Each side of the board isreferred to by the type of the majority of components installed on that side("Side A"or"Side B").In most cases oneside has only chip components(surface-mount devices),and the other has either a mixture of both chip and leadedcomponents(trimmers,coils,electrolytic capacitors,ICs,etc.),or leaded components only.As described in the pages to follow,the advanced microprocessor design of the VX-2100/-2200 allows a completealignment of this transceiver to be performed without opening the case of the radio;all adjustments can be performedfrom the personal computer,using with the Vertex Standard VPL-1 Programming Cable and CE82 Software.While we believe the information in this manual to be correct,Vertex Standard assumes no liability for damage thatmay occur as a result of typographical or other errors that may be present.Your cooperation in pointing out anyinconsistencies in the technical information would be appreciated.Important NoteThis transceiver was assembled using Pb(lead)free solder,based on the RoHS specification.Only lead-free solder(Alloy Composition:Sn-3.0Ag-0.5Cu)should be used for repairs performed on this ap-paratus.The solder stated above utilizes the alloy composition required for compliance with the lead-freespecification,and any solder with the above alloy composition may be used.ContentsSpecifications......A-1Board Units(Schematics,Layouts Parts)DSUB 15-pin Accessory Connector...............B-1MAIN Unit..H-1Exploded View Miscellaneous Parts .............C-1FRONT-A Unit (VX-2100).1-1Block Diagram ....….D-TFRONT-B Unit (VX-2200)..J-1Circuit Description....…E-1Optional Units (Schematics,Layouts Parts)Alignment…f-1FVP-25 Encryption/DTMF Pager Unit...........K-1Installation of Option ...…G-1FVP-36 Voice Inversion Type Encryption Unit.....L-1
请登录后查看评论内容