

第1页 / 共44页

第2页 / 共44页

第3页 / 共44页

第4页 / 共44页

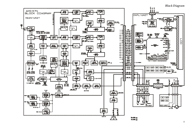
第5页 / 共44页

第6页 / 共44页

第7页 / 共44页

第8页 / 共44页

第9页 / 共44页

第10页 / 共44页
试读已结束,还剩34页,您可下载完整版后进行离线阅读
THE END
STANDARD HORIZON25 Watt VHF/FM DSC Marine TransceiverECLIPSE DSC+GX1100S/ESERVICE MANUALUTANDARD HORIZONVOL16FCLIPSE DSC+四JET四Important NoteThis transceiver was assembled using Pb(lead)free solder,based on the RoHS specification.Only lead-free solder(Alloy Composition:Sn-3.0Ag-0.5Cu)should be used for repairs performed onthis apparatus.The solder stated above utilizes the alloy composition required for compliance with thelead-free specification,and any solder with the above alloy composition may be used.EM037N90B
请登录后查看评论内容