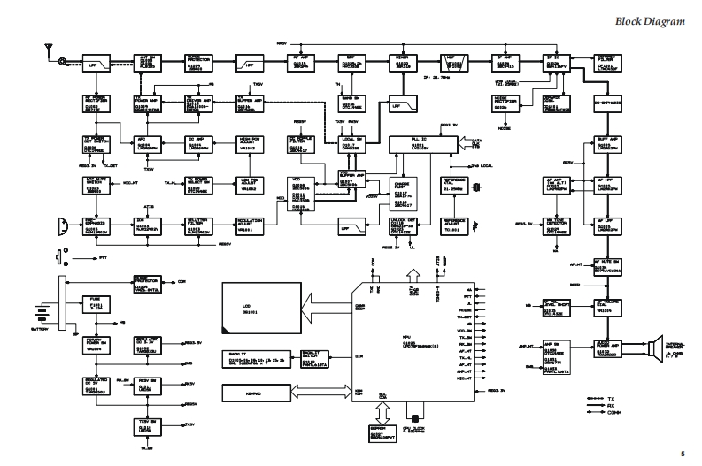
HX280S维修电器原理图手册找手册网20小时前发布关注私信2.64MB42页048HX280S维修电器原理图手册此内容为付费资源,请付费后查看¥19¥21黄金会员免费钻石会员免费立即购买您当前未登录!建议登陆后购买,可保存购买订单付费资源 第1页 / 共42页 第2页 / 共42页 第3页 / 共42页 第4页 / 共42页 第5页 / 共42页 第6页 / 共42页 第7页 / 共42页 第8页 / 共42页 第9页 / 共42页 第10页 / 共42页 试读已结束,还剩32页,您可下载完整版后进行离线阅读 THE ENDStandard-horizon 文本预览 STANDARD HORIZONVHF FM Marine TransceiverHX280S/ESERVICE MANUAL6qD▣@▣HX280SHX280EEM038N90A 查看更多 收起部分 喜欢就支持一下吧收藏
请登录后查看评论内容