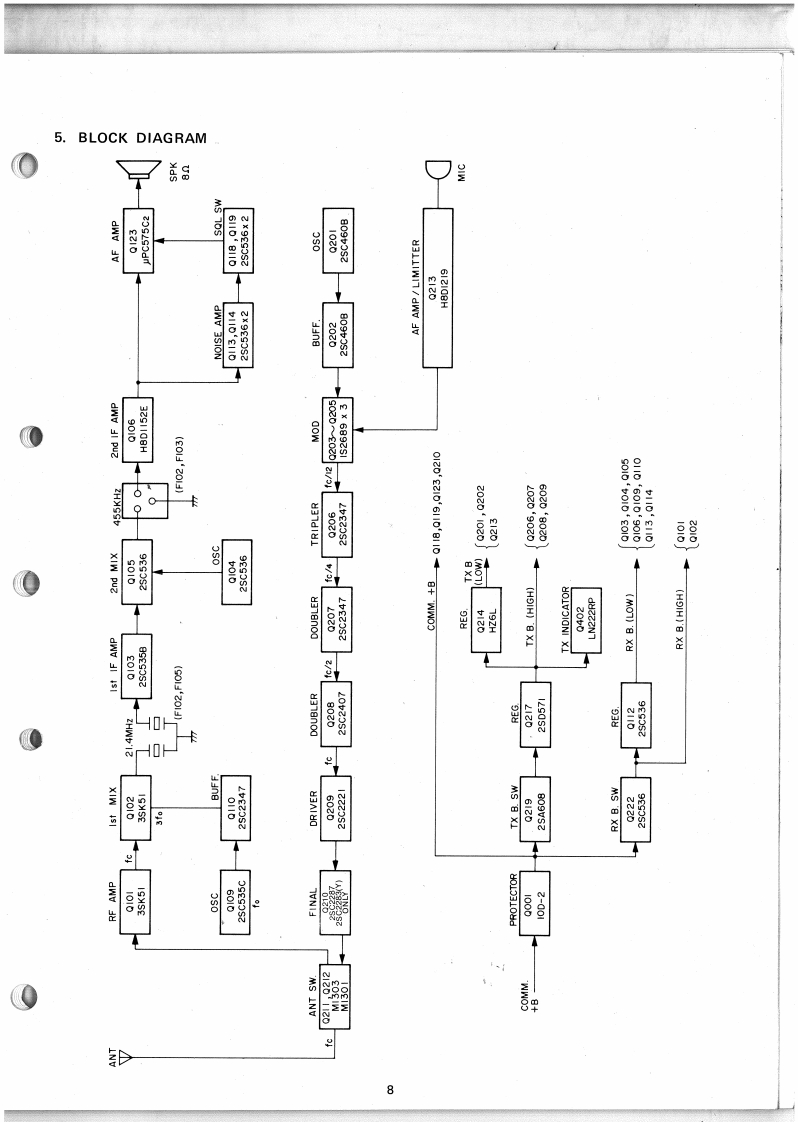
Standard_C-834_维修维护电器原理图手册找手册网17小时前发布关注私信19.37MB31页024Standard_C-834_维修维护电器原理图手册此内容为付费资源,请付费后查看¥19¥21黄金会员免费钻石会员免费立即购买您当前未登录!建议登陆后购买,可保存购买订单付费资源 第1页 / 共31页 第2页 / 共31页 第3页 / 共31页 第4页 / 共31页 第5页 / 共31页 第6页 / 共31页 第7页 / 共31页 第8页 / 共31页 第9页 / 共31页 第10页 / 共31页 试读已结束,还剩21页,您可下载完整版后进行离线阅读 THE ENDStandard-horizon 文本预览 憫STANDARD.VHF FM TRANSCEIVERC834SERIESSERVICE MANUALRR UDSTANDARDSTANDARD COMMUNICATIONS CORP 查看更多 收起部分 喜欢就支持一下吧收藏
请登录后查看评论内容