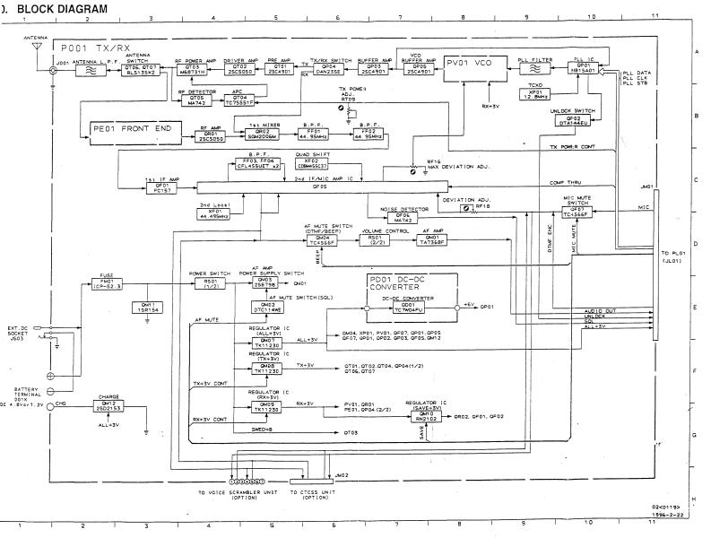
Standard_HX-270S_参考电器原理图找手册网17小时前发布关注私信0.90MB3页035Standard_HX-270S_参考电器原理图此内容为付费资源,请付费后查看¥19¥21黄金会员免费钻石会员免费立即购买您当前未登录!建议登陆后购买,可保存购买订单付费资源 第1页 / 共3页 第2页 / 共3页 第3页 / 共3页 已完成全部阅读,共3页 THE ENDStandard-horizon 文本预览 12.SCHEMATIC DIAGRAM AND COMPONENT OVERLAY12P001 TX/RX出雪品PL01 CONTAOL黑一量号日 查看更多 收起部分 喜欢就支持一下吧收藏
请登录后查看评论内容