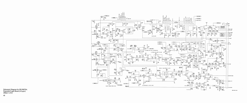
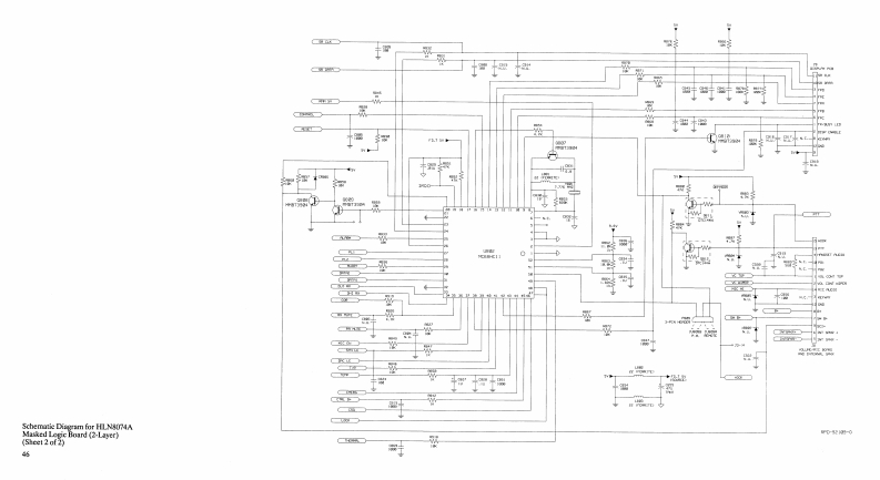
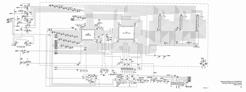
gm300-service-manual-维修手册-d找手册网32天前发布关注私信8MB8页048gm300-service-manual-维修手册-d此内容为付费资源,请付费后查看¥19¥21黄金会员免费钻石会员免费登录购买付费资源 第1页 / 共8页 第2页 / 共8页 第3页 / 共8页 第4页 / 共8页 第5页 / 共8页 第6页 / 共8页 第7页 / 共8页 第8页 / 共8页 已完成全部阅读,共8页 THE END摩托罗拉 文本预览 宝白型票型a品 查看更多 收起部分 喜欢就支持一下吧收藏
请登录后查看评论内容