Motorola_GM-300_seies_radio_interface_box_参考电器原理图_YF3CIF_2016_

Motorola_GM-300_seies_radio_interface_box_参考电器原理图_YF3CIF_2016_-找手册网
Motorola_GM-300_seies_radio_interface_box_参考电器原理图_YF3CIF_2016_
此内容为付费资源,请付费后查看
1921
付费资源

第1页 / 共1页
已完成全部阅读,共1
THE END
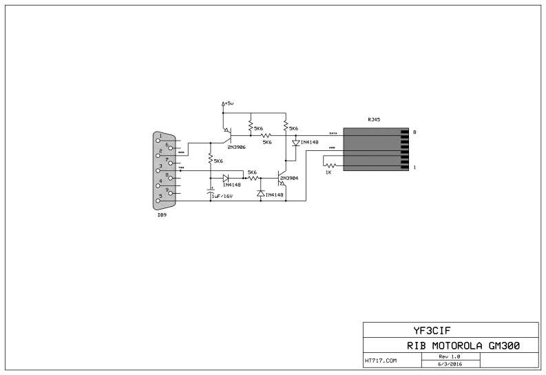
RJ4525K625K65k6711482139065K63562N39B4I4148AI4148DR9YF3CIFRIB MOTOROLA GM300Rev 1.8HT717.COM632816
喜欢就支持一下吧
评论 抢沙发

请登录后发表评论

    请登录后查看评论内容