motorola_gm_series_controller_schematic维修手册

motorola_gm_series_controller_schematic维修手册-找手册网
motorola_gm_series_controller_schematic维修手册
此内容为付费资源,请付费后查看
1921
付费资源

第1页 / 共26页

第2页 / 共26页

第3页 / 共26页

第4页 / 共26页

第5页 / 共26页

第6页 / 共26页

第7页 / 共26页

第8页 / 共26页

第9页 / 共26页

第10页 / 共26页
试读已结束,还剩16页,您可下载完整版后进行离线阅读
THE END
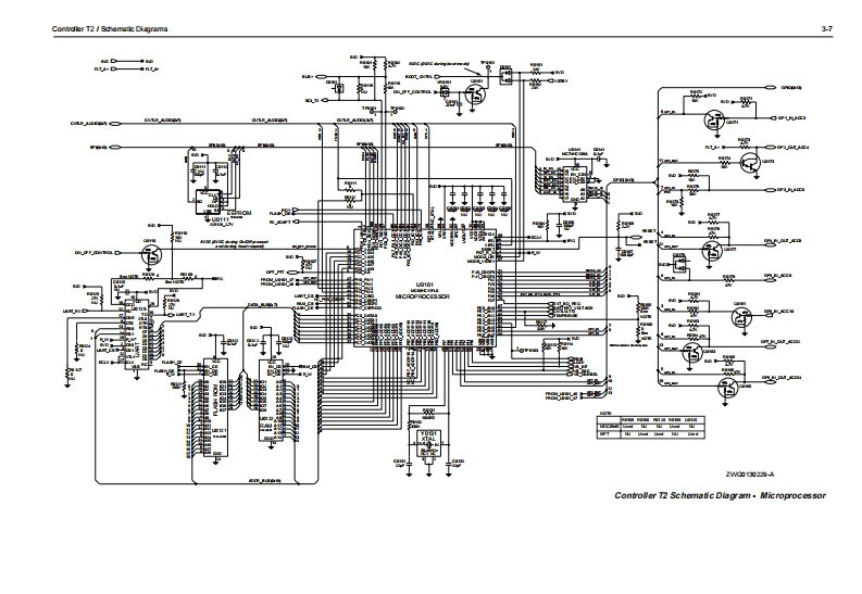
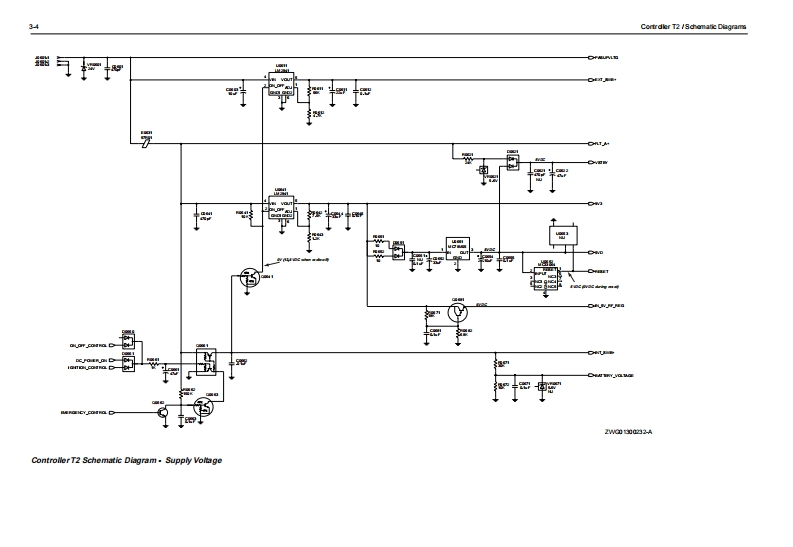
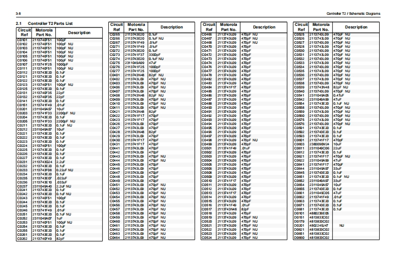
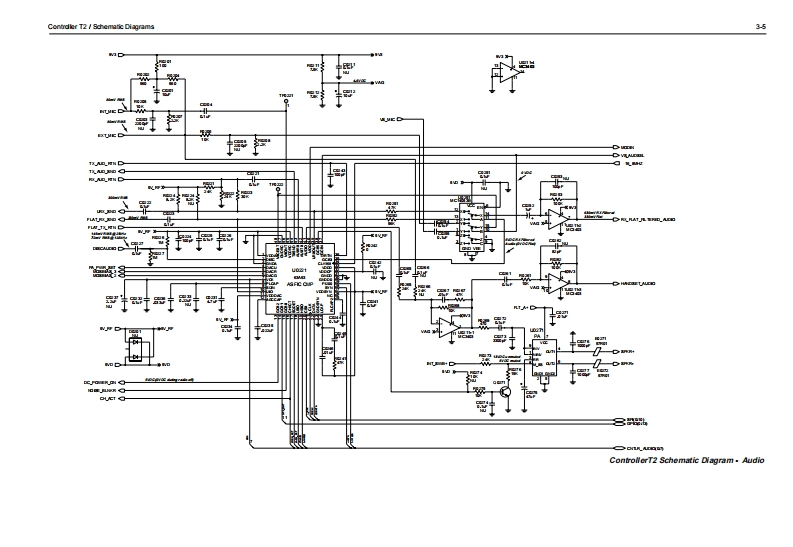
Conordlr T2/Schematic Diagrams3-32.0ControllerT2/Schematic DiagramsT02C013型280ControllerT2 Schematic Diagram-Controller Overal
喜欢就支持一下吧
评论 抢沙发

请登录后发表评论

    请登录后查看评论内容