Motorola_GM_series_controller_参考电器原理图_2002

Motorola_GM_series_controller_参考电器原理图_2002-找手册网
Motorola_GM_series_controller_参考电器原理图_2002
此内容为付费资源,请付费后查看
1921
付费资源

第1页 / 共48页

第2页 / 共48页

第3页 / 共48页

第4页 / 共48页

第5页 / 共48页

第6页 / 共48页

第7页 / 共48页

第8页 / 共48页

第9页 / 共48页

第10页 / 共48页
试读已结束,还剩38页,您可下载完整版后进行离线阅读
THE END
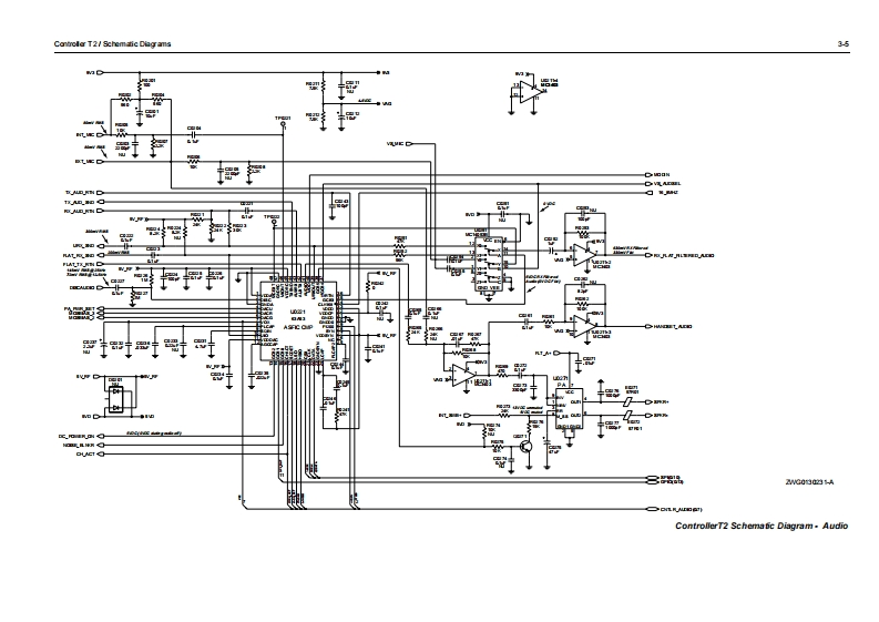
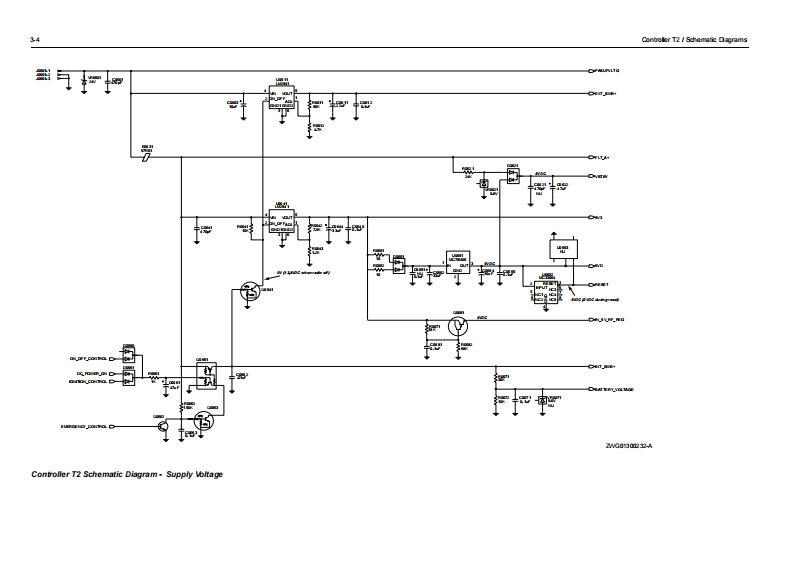
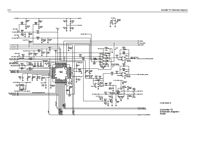
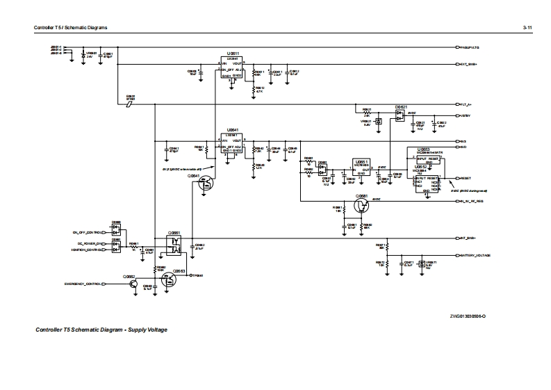
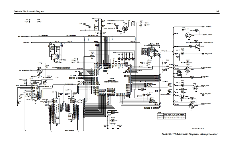
Cotrole T2/Schematic Diag ams332.0Controller T2/Schematic Diagrams2WG108-0Controller T2 Schematic Diagram-Controler Overall
喜欢就支持一下吧
评论 抢沙发

请登录后发表评论

    请登录后查看评论内容