motorola_gp300r1_维修用电器原理图

motorola_gp300r1_维修用电器原理图-找手册网
motorola_gp300r1_维修用电器原理图
此内容为付费资源,请付费后查看
1921
付费资源

第1页 / 共22页

第2页 / 共22页

第3页 / 共22页

第4页 / 共22页

第5页 / 共22页

第6页 / 共22页

第7页 / 共22页

第8页 / 共22页

第9页 / 共22页

第10页 / 共22页
试读已结束,还剩12页,您可下载完整版后进行离线阅读
THE END
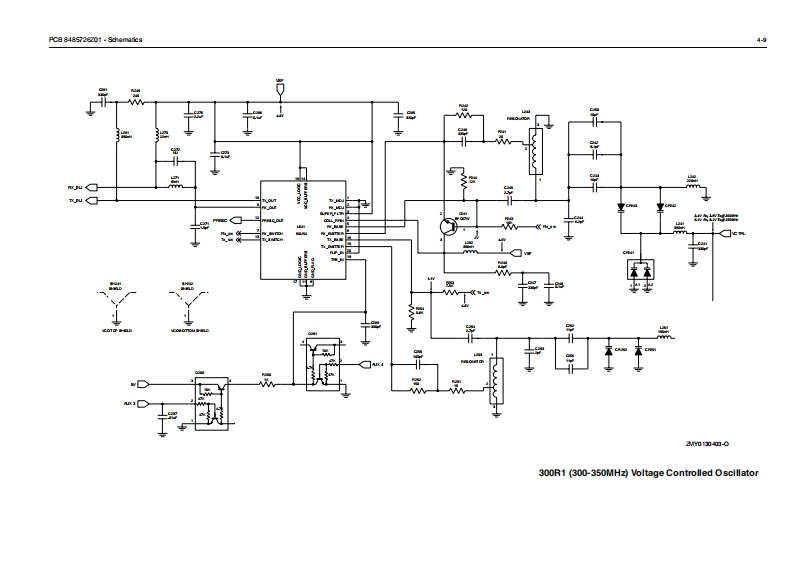
Pca8485726☑01.30mars42.0PCB 8485726Z01-Schematics80晋D前喜00,飞回时如目0@四mttm时时oo慧知g智画苍围300R1(300-350MHz)Main Board
喜欢就支持一下吧
评论 抢沙发

请登录后发表评论

    请登录后查看评论内容