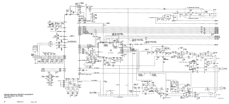
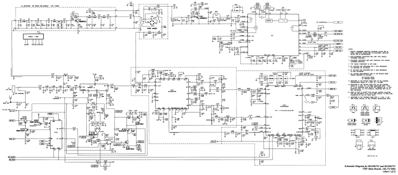
motorola_gp300_维修用电器原理图找手册网31天前发布关注私信0.23MB2页030motorola_gp300_维修用电器原理图此内容为付费资源,请付费后查看¥19¥21黄金会员免费钻石会员免费登录购买付费资源 第1页 / 共2页 第2页 / 共2页 已完成全部阅读,共2页 THE END摩托罗拉 文本预览 2好需+w<四元温思四智用知三落经闻如塞由威思国E品壶 查看更多 收起部分 喜欢就支持一下吧收藏
请登录后查看评论内容