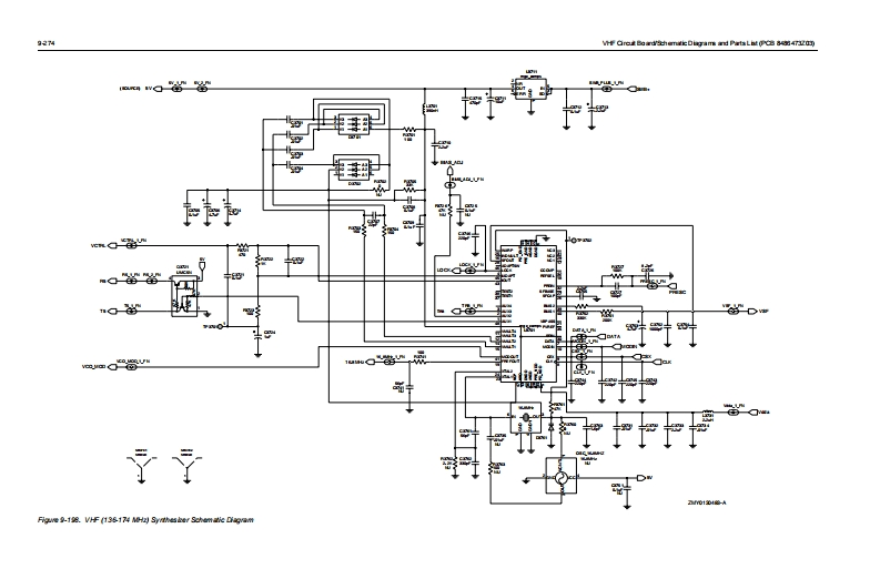
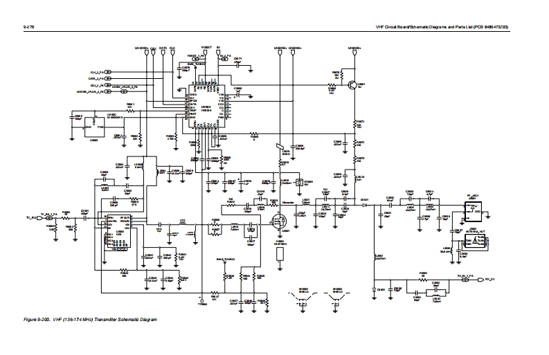
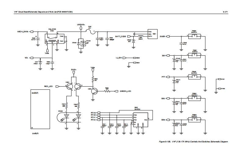
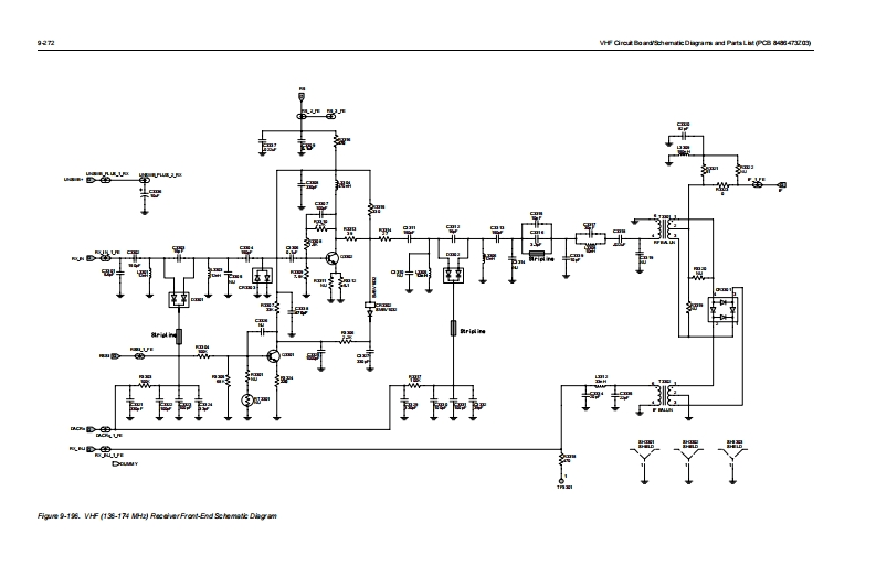
摩托罗拉pro5150电器原理图找手册网32天前发布关注私信2.34MB56页036摩托罗拉pro5150电器原理图此内容为付费资源,请付费后查看¥19¥21黄金会员免费钻石会员免费登录购买付费资源 第1页 / 共56页 第2页 / 共56页 第3页 / 共56页 第4页 / 共56页 第5页 / 共56页 第6页 / 共56页 第7页 / 共56页 第8页 / 共56页 第9页 / 共56页 第10页 / 共56页 试读已结束,还剩46页,您可下载完整版后进行离线阅读 THE END摩托罗拉 文本预览 f白ait Baird找himtic Diagrarra and%rhL址08g87为四)9-9.22 VHF Circuit Board/Schematic Diagrams and Parts List(PCB 8486473Z03)脚匪中8O无和印9国回即鸟回回回8 查看更多 收起部分 喜欢就支持一下吧收藏
请登录后查看评论内容