

第1页 / 共17页

第2页 / 共17页

第3页 / 共17页

第4页 / 共17页

第5页 / 共17页

第6页 / 共17页

第7页 / 共17页

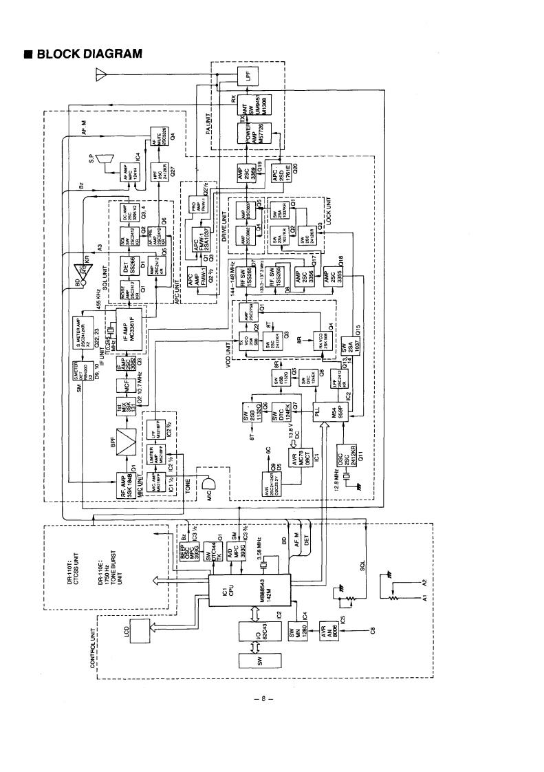
第8页 / 共17页

第9页 / 共17页

第10页 / 共17页
试读已结束,还剩7页,您可下载完整版后进行离线阅读
THE END
ALINCOVHF FM TRANSCEIVERDR-112 T/EService ManualIndex●PARTS LIST.25●CABINET PARTS LOCATION..........·●ADJUSTMENT.17BLOCK DIAGRAM18●MAIN PC BOARDS9,10●CONTROL PC BOARDS11●144VC0PCB0ARDS..…12TONE SQUELCHPCBOARD.......................................13●TONE BURST PC BOARDS。+,…4…04t+t4t。。14●APC PC BOARDS.…●LI BAT PC BOARDS15.DRIVE PC BOARDS15●LOCK SW PC BOARDS●IF PC BOARDS,1●SQL PC BOARDS,,,,,,6●MIC PC BOARDS16●SPECIFICATIONS.Back CoverALINCO ELECTRONICS INC.
请登录后查看评论内容