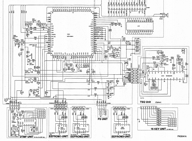
ALINCO-DJ-180T维修电器原理图手册找手册网14小时前发布关注私信0.23MB2页024ALINCO-DJ-180T维修电器原理图手册此内容为付费资源,请付费后查看¥19¥21黄金会员免费钻石会员免费立即购买您当前未登录!建议登陆后购买,可保存购买订单付费资源 第1页 / 共2页 第2页 / 共2页 已完成全部阅读,共2页 THE ENDAlinco 文本预览 SCHEMATIC DIAGRAM DJ-180Specifications are subject to change without notice or obigation.RF UNITDJ-180TAR/TB2C2 verxien onlyRet.No.C46 C48 C69 L19Value 15p 30p 27p CKA158是空表注单左雕丰气o驻防4 查看更多 收起部分 喜欢就支持一下吧收藏
请登录后查看评论内容