ALINCODR130使用操作说明书手册指南

ALINCODR130使用操作说明书手册指南-找手册网
ALINCODR130使用操作说明书手册指南
此内容为付费资源,请付费后查看
1921
立即购买
您当前未登录!建议登陆后购买,可保存购买订单
付费资源

第1页 / 共37页

第2页 / 共37页

第3页 / 共37页

第4页 / 共37页

第5页 / 共37页

第6页 / 共37页

第7页 / 共37页

第8页 / 共37页

第9页 / 共37页

第10页 / 共37页
试读已结束,还剩27页,您可下载完整版后进行离线阅读
THE END
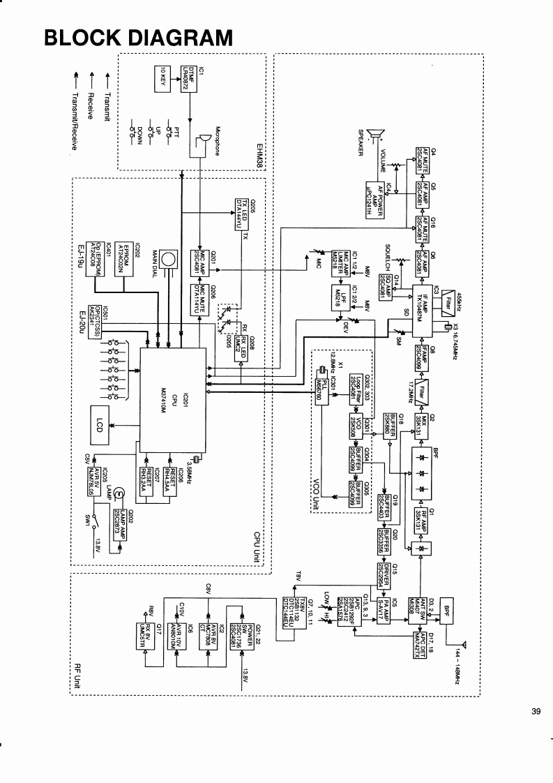
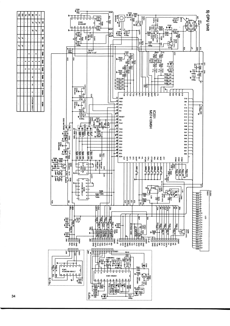
DR-130T/E/EZ/EA/TA/TE1/TE2Service ManualCONTENTS●SPECIFICATIONS●PARTS LISTMAIN Unit...22232)Transmitter..2.3)Receiver.....…2VCO Unit....25●CIRCUIT DESCRIPTIONSP Unit......251)Receiver System3252)Transmitter System..........,4Mechanical Parts....253)PLL Circuit....4Others......254)Terminal Function of Microprocessor...........5-7Packing255)Terminal Connection of Microprocessor.............826●SEMICONDUCTOR DATAEHM35B.261AK23419EHM38A262)AN78L05M10●ADJUSTMENT3)AN8010M-101)Required Test Equipment........274BU4052Bf.102)Adjustment for DR-1308295)LR408721..113)Adjustment Points306)M5218FP..4)Adjustment Quick Reference................…307刀M56760FP..12●CIRCUIT DIAGRAM8)MC7808CT131)EHM35a…319)RH5VA32AA-T1.132)EHM38.…3110)RH5VA45AA-T1....133)Main Unit (T/E/EZ/EA/TA).3211)S-AV17.144)Main Unit (TE1/TE2)......3312)TK10487MTR155)CPU Unit.3413)AT24C02N-10S1-2.7..15●PC BOARD VIEW14)AT24C08-10S-2.7151)Main Unit Side A3515)μPC1241H1.162)Main Unit Side B.....3616)Transistor,Diode and LED Outline Drawings....163)CPU Unit Side A......73717刀LCDC0 nnection.174)CPU Unit Side B...37●EXPLODED VIEW5)VCO Unit Side A.........381)Bottom View..186)VCO Unit Side B.....382)LCD View.18●BLOCK DIAGRAM393到Top,Fr0 nt View1.194)Top,Front View 2........20●VERSION TABLE21ALINCO.INC.
喜欢就支持一下吧
评论 抢沙发

请登录后发表评论

    请登录后查看评论内容