

第1页 / 共30页

第2页 / 共30页

第3页 / 共30页

第4页 / 共30页

第5页 / 共30页

第6页 / 共30页

第7页 / 共30页

第8页 / 共30页

第9页 / 共30页

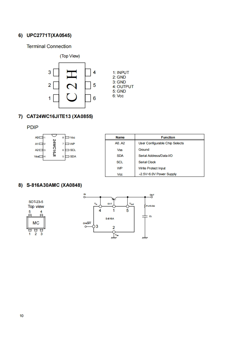
第10页 / 共30页
试读已结束,还剩20页,您可下载完整版后进行离线阅读
THE END
DJ-S446Service ManualCONTENTSSPECIFICATONSEXPLODED VIEW1)BENERAL.21)Front View.142)TRANSMITTER2)Bottom View…153)RECEIVER.2PARTS LISTCIRCUIT DESCRIPTIONMAIN Unit....16~191)Receiver System..…UP0473 Unit....…192)Transmitter Systema3)PLL.VCO Circuit.4Mechanical Parts204)M38224M6M.…..5Packing20SEMICONDUCTOR DATAADJUSTMENT21-221)M64082AGP(XA0543).7PC BOARD VIEW2)NJM2070MT1(XA0210).81)UP0446A(12)side A...233)NUM2904WCXA0573).82)UP0446A (1/2)side B244)NUM2902MTE1(XA0596).93)PTT Unit WIRING.…255)TA31136FNXA0404))..94)UP0473 TOP VIEW/WIRING266)UPC2771TXA0545).10SCHEMATIC DIAGRAM277)CAT24WC16JITE13 (XA0855)...10BLOCK DIAGRAM.288)S-816A30AMC(XA0848).109)S-80827 ALNP (XA0857)1110)Transistor,Diode and LED Outline Drawings......1211)LCDALINCO,INC.
请登录后查看评论内容