

第1页 / 共42页

第2页 / 共42页

第3页 / 共42页

第4页 / 共42页

第5页 / 共42页

第6页 / 共42页

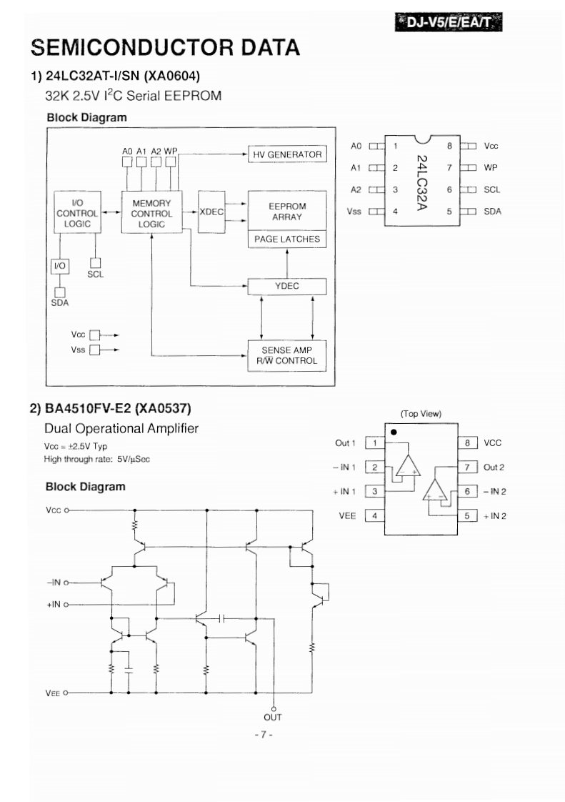
第7页 / 共42页

第8页 / 共42页

第9页 / 共42页

第10页 / 共42页
试读已结束,还剩32页,您可下载完整版后进行离线阅读
THE END
DJ-V5/DJ-V5E/DJ-V5EA/DJ-V5TService ManualCONTENTSSPECIFICATIONSEXPLODED VIEW21)Assembly 1........212)Transmitter.…22)Assembly2.223)Receiver…3)ASsembly 323CIRCUIT DESCRIPTIONPARTS LIST1)Receiver System ......3.4CPU Unit..24,252)Transmitter SystemVCO Unit.....253)Terminal function of CPU6MAIN Unit....,25-29SEMICONDUCTOR DATAVR Unit...291)24LC32AT-/SN.Mechanical Parts292)BA4510FV-E273)BU4094BCFV-E28ADJUSTMENT4)LC73881M-TLM91)Required Test Equipment...............305)M38267M8L-02)Entering and releasing the adjustment mode.........316)MB88347LPFV-G-BND-EF3)Adjustment31-337)NUM2070MT1...的PC BOARD VIEW8)NJM2904V-TE1........21)MAIN9)NJU7660V-TE1 ..........132)CPU Unit .......36,3710)S-80730SL-AT-T2133)VCO Unit3811)S-81235SG-Q1-T1144)VR Unit........3812)TA31161FN(E)14CIRCUIT DIAGRAM13)TC75S51F(TE85L)151)MAIN Unit.......3914)TC7S66FU(TE85L)152)CPU Unit.4015)TK14521MTL1616)uPC2758TBLOCK DAIGRAM4317)uPC2771T1718)uPD3140GS-E11819)Transistor,Diode and LED Outiine Drawings...1920)LCD20ALINGO.INC.
请登录后查看评论内容