Alinco_DR-112E_T_维修维护电器原理图手册

Alinco_DR-112E_T_维修维护电器原理图手册-找手册网
Alinco_DR-112E_T_维修维护电器原理图手册
此内容为付费资源,请付费后查看
1921
立即购买
您当前未登录!建议登陆后购买,可保存购买订单
付费资源

第1页 / 共17页

第2页 / 共17页

第3页 / 共17页

第4页 / 共17页

第5页 / 共17页

第6页 / 共17页

第7页 / 共17页

第8页 / 共17页

第9页 / 共17页

第10页 / 共17页
试读已结束,还剩7页,您可下载完整版后进行离线阅读
THE END
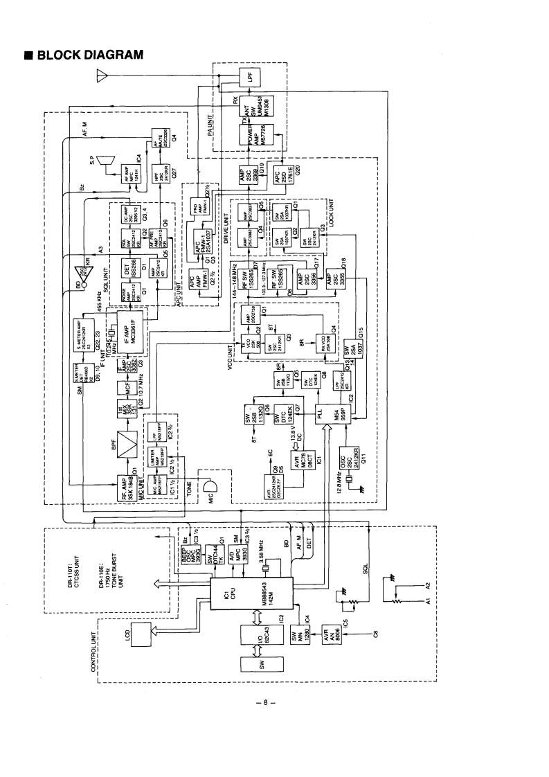
ALINCOVHF FM TRANSCEIVERDR-112 T/EService Manual1Index●PARTS LIST25CABINET PARTS LOCATION........................................●ADJUSTMENT1>●BLOCK DIAGRAM.:1●MAIN PC BOARDS9,10●CONTROL PC BOARDS11●144VC0PCB0ARDS...·TONE SQUELCH PC BOARD13·TONE BURST PC BOARDS14●APC PC BOARDS.14LI BAT PC BOARDS15●DRIVE PC BOARDS.1LOCK SW PC BOARDS15●IF PC BOARDS,…1●SQL PC BOARDS.16●MIC PC BOARDS,...,,…1●SPECIFICATIONS...Back CoverALINCO ELECTRONICS INC.
喜欢就支持一下吧
评论 抢沙发

请登录后发表评论

    请登录后查看评论内容