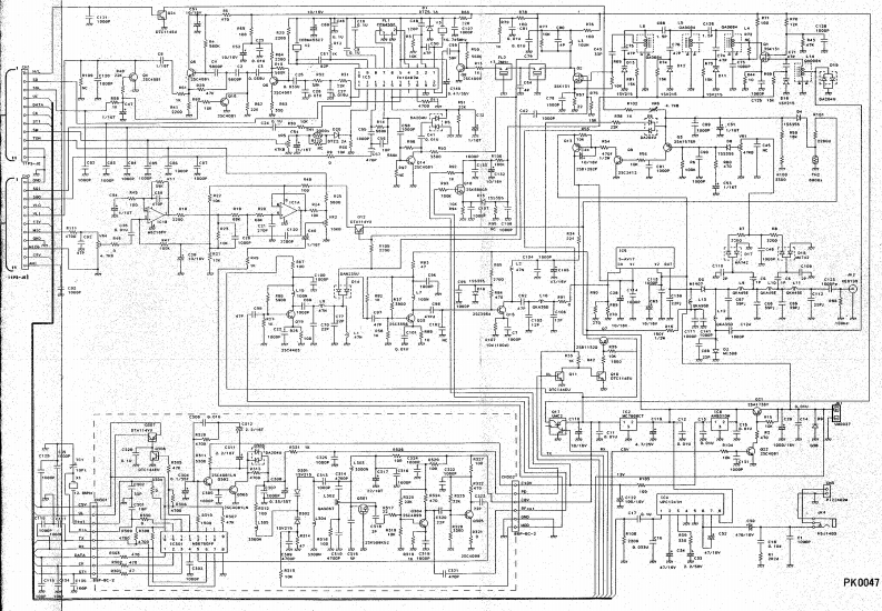
Alinco_DR-130_参考电器原理图

Alinco_DR-130_参考电器原理图-找手册网
Alinco_DR-130_参考电器原理图
此内容为付费资源,请付费后查看
1921
立即购买
您当前未登录!建议登陆后购买,可保存购买订单
付费资源

第1页 / 共2页

第2页 / 共2页
已完成全部阅读,共2
THE END
MICSPLCD236897314m250261KR263DTA114Y4R255Ic20110020540tM57410M6DATACLKR2611KDATA291ovR2655s207R277R20547/工0520e5子680175TON225205R208TONBEP11508CALLR275VFO/H$202写25406南R2750.01u15256,920117REP2205T市0220011942V202221DATA6278R22010KR2222MICG237R287分2209222c2011000D204Dw2R24324.R284R28DATAL00226.22SDA22255938862s209100R256.202)L2020020148101R22SCHEMATIC DIAGRAM DR-130Specifications are subject to change without notice or obligation.
喜欢就支持一下吧
评论 抢沙发

请登录后发表评论

    请登录后查看评论内容