

第1页 / 共74页

第2页 / 共74页

第3页 / 共74页

第4页 / 共74页

第5页 / 共74页

第6页 / 共74页

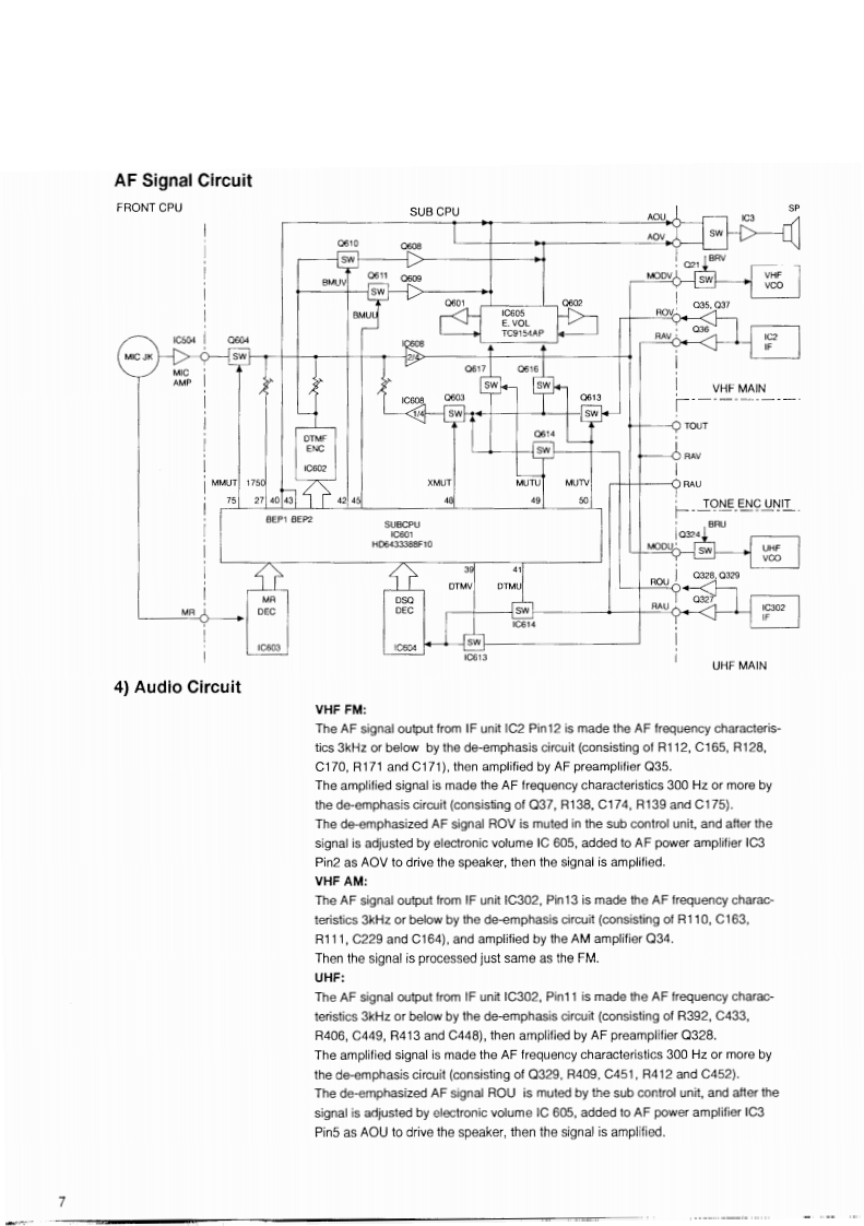
第7页 / 共74页

第8页 / 共74页

第9页 / 共74页

第10页 / 共74页
试读已结束,还剩64页,您可下载完整版后进行离线阅读
THE END
DR-610T/E Service ManualCONTENTS●PARTS LISTVHF MAIN Unit...3840●SPECIFICATIONSUHF MAIN Unit40w421)General....2VOL Unit....422)TransmitterFRONT CPU Unit44~433)Receiver....2SUB CPU Unit....50-45●CIRCUIT DESCRIPTIONVHF VCO Unit.451)Receiver System.3-8VHF PLL Unit.452)Transmitter System.....9UHF VCO Unit......,463)PLL Circuit...4-….1011UHF PLL Unit54464)Front CPU and Peripheral Circuit.............11 -125)Sub CPU and Peripheral Circuit.12-13ENC Unit..6)CTCSS Tone Encoder Circuit.13SP Unit...477刀Packet Circuit.14FAN Unit..478)Front CPU LO Port (IC501)..15-16Packet...9)Main CPU LO Port (IC601)..17-18Mechanical Parts47●SEMICONDUCTOR DATAPCB.....…471)AN8010M.19Packing.....…472)BU4094BFEHM35Ba…473)L78LR05D.20EHM39.484)LA4445..20●ADJUSTMENT5)M56760FP.211)Required Test Equipment..496)M57788MR.222)Adjustment Points.50~517刀MC7808.233)UHF RX Adjustment.........528)NJM4066B..234)UHF TX Adjustment.....,539)NUM2902M(T1).235)VHF RX Adjustment......5410)NJM4558.n4.246)VHF TX Adjustment...........…5511)RHSVA60AA..24●PC BOARD VIEW12)HPC1676G.241)VHF MAIN/AIR Unit Side A.畅13)S-AV17.252)VHF MAIN/AIR Unit Side B.5714)TC4S11F.263)UHF MAIN/ENC/VOL Unit Side A.5815)TC4S66F.264)UHF MAIN/ENC/VOL Unit Side B..5916)TC4W53F.…265)Front CPU Unit Side A.......6017)TC9154AP..276)Front CPU Unit Side B.....6018)TC95219F…287)SUB cPU Unit Side A..6119)TC35305FTP1)298)SUB CPU Unit Side B..............6120)TK10489M..309)VHF VCO Unit.....6221)TK10930WT3110)VHF PLL Unit6222)Transistor.Diode and LED Outline Drawings...3211)UHF VCO Unit.....6223)LCD...33-3412)UHF PLL Unit62●EXPLODED VIEW●BLOCK DIAGRAM1)Front View.......351)Main Block Diagram.........632)LCD View.352)CPU Block Diagram...............643))VHF Unit View.….363)PLL Block Diagram.…654)UHF Unit View..37●SCHEMATIC DIAGRAM1)VHF MAIN UNIT..66~672)UHF MAIN UNIT.68~693)FRONT CPU UNIT704)SUB CPU Unit.........715)VHF VCO.PLL Unit....726)UHF VCO,PLL Unit.....737刀ENC Unit…748)EHM35B75ALINCO ELECTRONICS INC.9)EHM33.-75
请登录后查看评论内容