Alinco_DR-735_E_T_TA_参考电器原理图

Alinco_DR-735_E_T_TA_参考电器原理图-找手册网
Alinco_DR-735_E_T_TA_参考电器原理图
此内容为付费资源,请付费后查看
1921
立即购买
您当前未登录!建议登陆后购买,可保存购买订单
付费资源

第1页 / 共3页

第2页 / 共3页

第3页 / 共3页
已完成全部阅读,共3
THE END
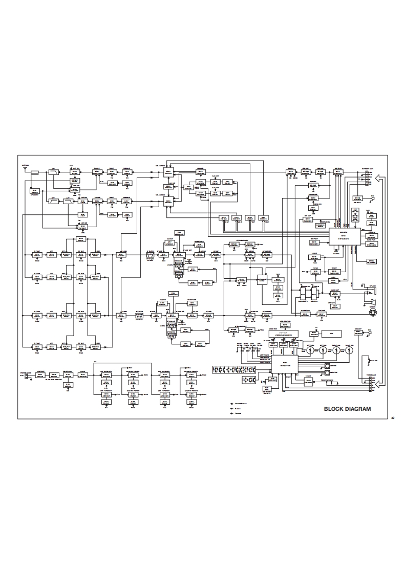
密南盒卓学单十常深净章单原>适回卤回早学回卤学卤堂白白堂卤卓藏一卓草孕堂☐堂学白卤堂卤“所画里草卤旺字星国BLOCK DIAGRAM
喜欢就支持一下吧
评论 抢沙发

请登录后发表评论

    请登录后查看评论内容