ALNICO-DJ-160E维修电器原理图手册

ALNICO-DJ-160E维修电器原理图手册-找手册网
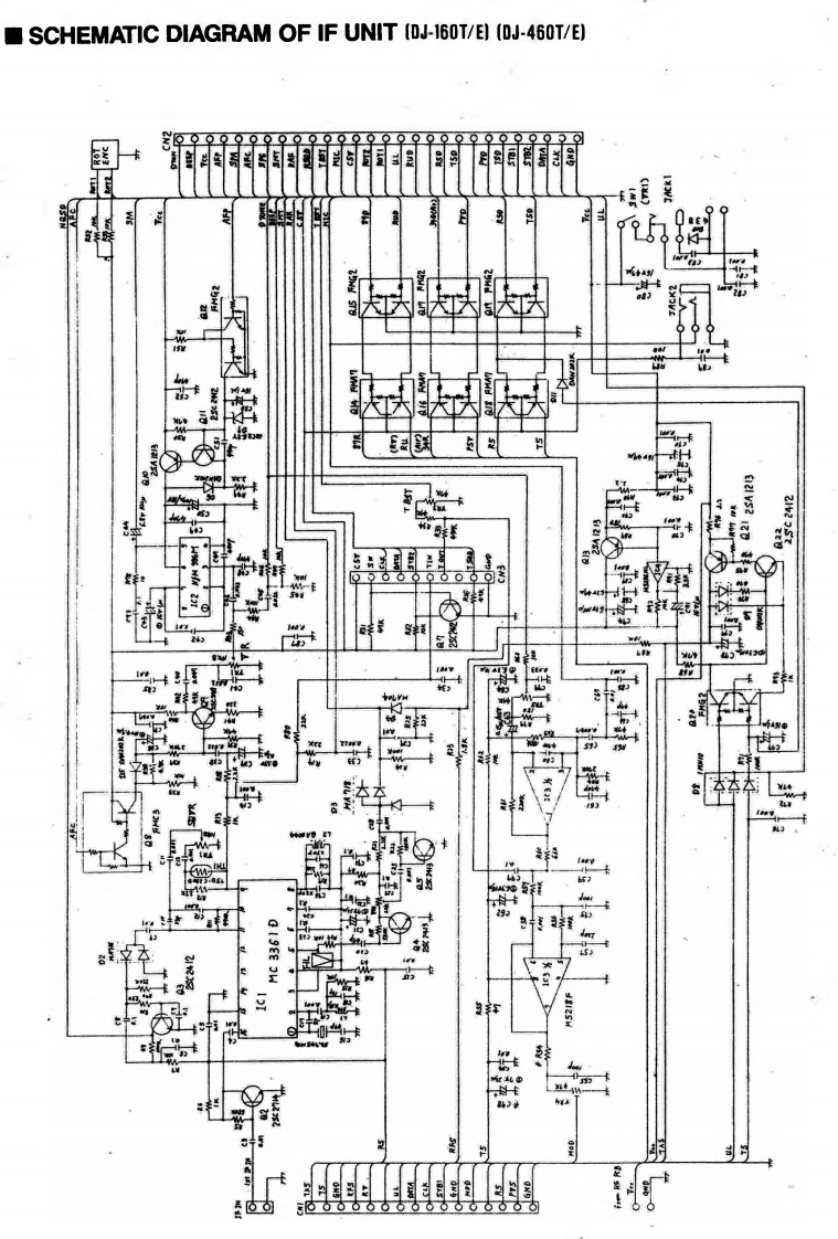
ALNICO-DJ-160E维修电器原理图手册
此内容为付费资源,请付费后查看
1921
立即购买
您当前未登录!建议登陆后购买,可保存购买订单
付费资源

第1页 / 共8页

第2页 / 共8页

第3页 / 共8页

第4页 / 共8页

第5页 / 共8页

第6页 / 共8页

第7页 / 共8页

第8页 / 共8页
已完成全部阅读,共8
THE END
IF PC BOARDS (DJ-160T/E)韩舒2生最银程lii四司道5,雾需IC2E®回醒尚的宫曾同鞋样脸韵酸警的益匆国D零卧回18K0Aa44遗团体追知鞋3静程尚调园C75ICMC3361DTT4国44227图年尚城泪C特能C14尚铜
喜欢就支持一下吧
评论 抢沙发

请登录后发表评论

    请登录后查看评论内容