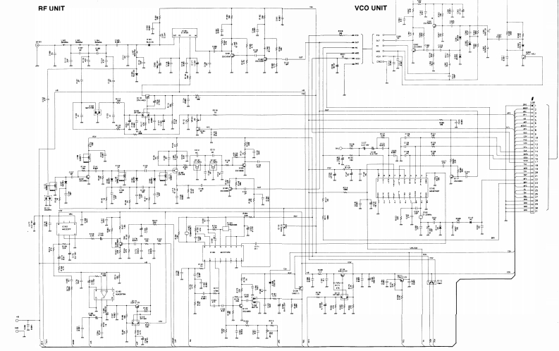
ALNICO-DJ-190T-2维修电器原理图手册找手册网11小时前发布关注私信0.40MB2页039ALNICO-DJ-190T-2维修电器原理图手册此内容为付费资源,请付费后查看¥19¥21黄金会员免费钻石会员免费立即购买您当前未登录!建议登陆后购买,可保存购买订单付费资源 第1页 / 共2页 第2页 / 共2页 已完成全部阅读,共2页 THE ENDAlinco 文本预览 RF UNITVCO UNIT日21LLL中i- 查看更多 收起部分 喜欢就支持一下吧收藏
请登录后查看评论内容