

第1页 / 共74页

第2页 / 共74页

第3页 / 共74页

第4页 / 共74页

第5页 / 共74页

第6页 / 共74页

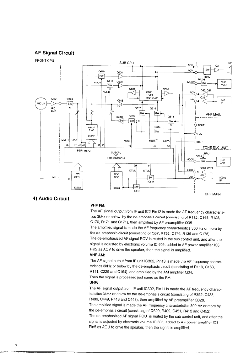
第7页 / 共74页

第8页 / 共74页

第9页 / 共74页

第10页 / 共74页
试读已结束,还剩64页,您可下载完整版后进行离线阅读
THE END
DR-610T/EService ManualCONTENTS◆PARTS LISTVHF MAIN Unit.38-40●SPECIFICATIONSUHF MAIN Unit40421)General ..,2422)Transmitter.......,2FRONT CPU Unit.44433)Receiver..........12SUB CPU Unit......5045●CIRCUIT DESCRIPTIONVHF VCO Unit451)Receiver System.4438VHF PLL Unit..452)Transmitter System....9UHF VCO Unit.463)PLL Circuit..10w11UHF PLL Unit.54464)Front CPU and Peripheral Circuit.............11~12AlR5)Sub CPU and Peripheral Circuit....-13ENC Unit.....476)CTCSS Tone Encoder Circuit.13SP Unit..47T刀Packet Gircuit........FAN Unit.....478)Front CPU VO Port (IC501)..15-16Packet....479)Main CPU I/O Port(IC601)....1718Mechanical Parts47●SEMICONDUCTOR DATAPCB....1)AN8010M”4719Packing...472)BU4094BF19EHM35B.3)L78LROSD.…471.20上HM39.4}儿A4445.2048●ADJUSTMENT5)M56760FP,.211)Required Test Equipment.496)M57788MR,222)Adiustment Points.....1.505】7MC7808.233)UHF RX Adjustment...528)NJM4066B.4234)UHF TX Adjustment..539)NUM2902M(T1)...235)VHF RX Adjustment..5410)NJM4558..246)VHF TX Adjustment.....5511)RH5VA6DAA424●PC BOARD VIEW12)HPC1676G..241)VHF MAIN/AIR Unit Side A.5613)S-AV17.m4252)VHF MAIN/AIR Unit Side B..........5714)TC4S11F..263)UHF MAIN/ENC/VOL Unit Side A.5815)TC4S66F.261)UHF MAIN/ENC/VOL Unit Side B.5916)TC4W53F..265)Front CPU Unit Side A............6017)TC9154Ap..276)Front CPU Unit Side B..6018)TC95219F.7刀SUB CPU Unit Side A.u6119)TC35305F(TP1).298)SUB CPU Unit Side B.......................6120)TK10489M.m.309)VHF VCO Unit......6221)TK10930vTL.3110)VHF PLL Unit…6222)Transistor,Diode and LED Outline Drawings...3211)UHF VCO Unit....6223)LCD.....33-3412)UHF PLL Unit....62●EXPLODED VIEW●BLOCK DIAGRAM1)Front View......351)Main Block Diagram.…mm.632)LCD View.352)CPU Block Diagram.643)VHF Unit View....363)PLL Block Diagram.654)UHF Unit View...3●SCHEMATIC DIAGRAM1)VHF MAIN UNIT..66一672)UHF MAIN UNIT.68~693)FRONT CPU UNIT.704)SUB CPU Unit............715)VHF VCO,PLL Unit..726)UHF VCO,PLL Unit...737)ENC Unit..74ALINCO ELECTRONICS INC.8)EHM35B .....,759)EHM39..75
请登录后查看评论内容