

第1页 / 共30页

第2页 / 共30页

第3页 / 共30页

第4页 / 共30页

第5页 / 共30页

第6页 / 共30页

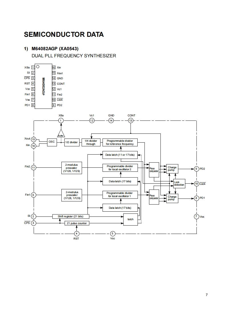
第7页 / 共30页

第8页 / 共30页

第9页 / 共30页

第10页 / 共30页
试读已结束,还剩20页,您可下载完整版后进行离线阅读
THE END
DJ-S40T/EService ManualCONTENTSSPECIFICATONSEXPLODED VIEW1)BENERAL.21)Front View.142)TRANSMITTER2)Bottom View153)RECEIVER.2PARTS LISTCIRCUIT DESCRIPTIONMAIN Unit16-201)Receiver system.....SW Unit........202)Terminalmitter systemMechanical Parts203)PLL.VCO Circuit.44)M38224M6M..5ADJUSTMENT21-22SEMICONDUCTOR DATAPC BOARD VIEW1)M64082AXA0543).71)UP0433(12)side A...232)NMJ2070MT1(XA210).82)UP0433(1/2)side B.243)NUM2904WCXA0573).83)PTT Unit WIRING ........254)NUM2902MTE1(XA0596)..9SCHEMATIC DIAGRAM265)TA31136FNXA0404).9BLOCK DIAGRAM.......276)UPC2771TXA0545)..107)CAT24WC16J1TE13XA0855)..108)S-816A30 AMC (XA0848).109)S-80827 ALNP (XAC0857).1110)MRF9745T1XE0034.1111)Transistor,Diode and LED Outline Drawings12)LCDALINCO,INC.
请登录后查看评论内容