IC-M91D-M92D-Service-manual维修手册含电器原理图-addendum

IC-M91D-M92D-Service-manual维修手册含电器原理图-addendum-找手册网
IC-M91D-M92D-Service-manual维修手册含电器原理图-addendum
此内容为付费资源,请付费后查看
1921
付费资源

第1页 / 共40页

第2页 / 共40页

第3页 / 共40页

第4页 / 共40页

第5页 / 共40页

第6页 / 共40页

第7页 / 共40页

第8页 / 共40页

第9页 / 共40页

第10页 / 共40页
试读已结束,还剩30页,您可下载完整版后进行离线阅读
THE END
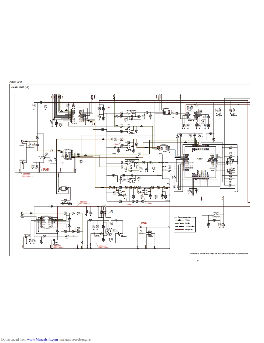
August 2012iCOMSERVICE MANUALADDENDUMIC-M91D IC-M92DCONTENTSPARTS LIST...1BOARD LAYOUTS....·6VOLTAGE DIAGRAM....···8Downloaded from www.Manualslib.com manuals search engine
喜欢就支持一下吧
评论 抢沙发

请登录后发表评论

    请登录后查看评论内容