ICOM–IC-290-Vhf-all-mode-维修电器原理图手册

ICOM--IC-290-Vhf-all-mode-维修电器原理图手册-找手册网
ICOM–IC-290-Vhf-all-mode-维修电器原理图手册
此内容为付费资源,请付费后查看
1921
付费资源

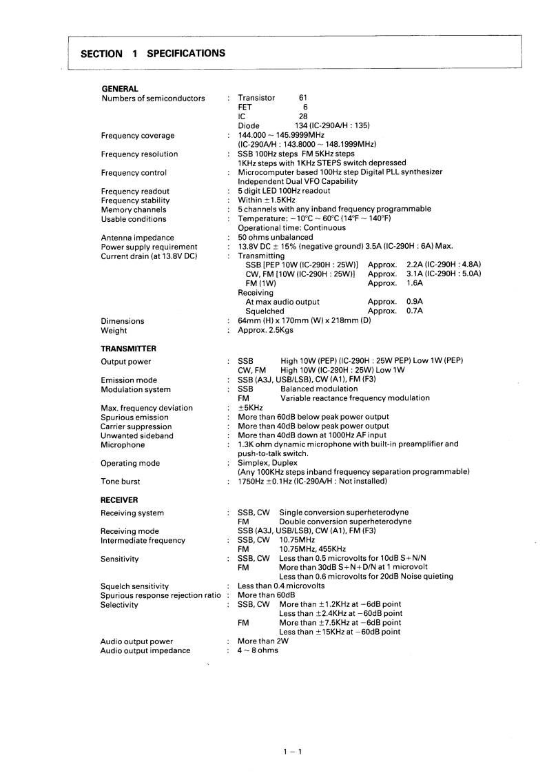
第1页 / 共110页

第2页 / 共110页

第3页 / 共110页

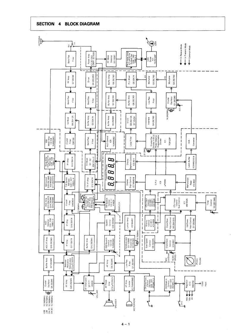
第4页 / 共110页

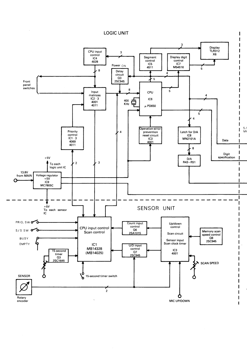
第5页 / 共110页

第6页 / 共110页

第7页 / 共110页

第8页 / 共110页

第9页 / 共110页

第10页 / 共110页
试读已结束,还剩100页,您可下载完整版后进行离线阅读
THE END
144MHz ALL MODE TRANSCEIVERIG-29▣A三HMAINTENANCE MANUAL
喜欢就支持一下吧
评论 抢沙发

请登录后发表评论

    请登录后查看评论内容