KENWOOD–TH-77-维修电器原理图手册

KENWOOD--TH-77-维修电器原理图手册-找手册网
KENWOOD–TH-77-维修电器原理图手册
此内容为付费资源,请付费后查看
1921
付费资源

第1页 / 共7页

第2页 / 共7页

第3页 / 共7页

第4页 / 共7页

第5页 / 共7页

第6页 / 共7页

第7页 / 共7页
已完成全部阅读,共7
THE END
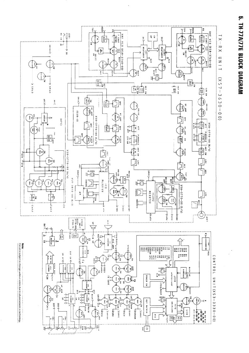
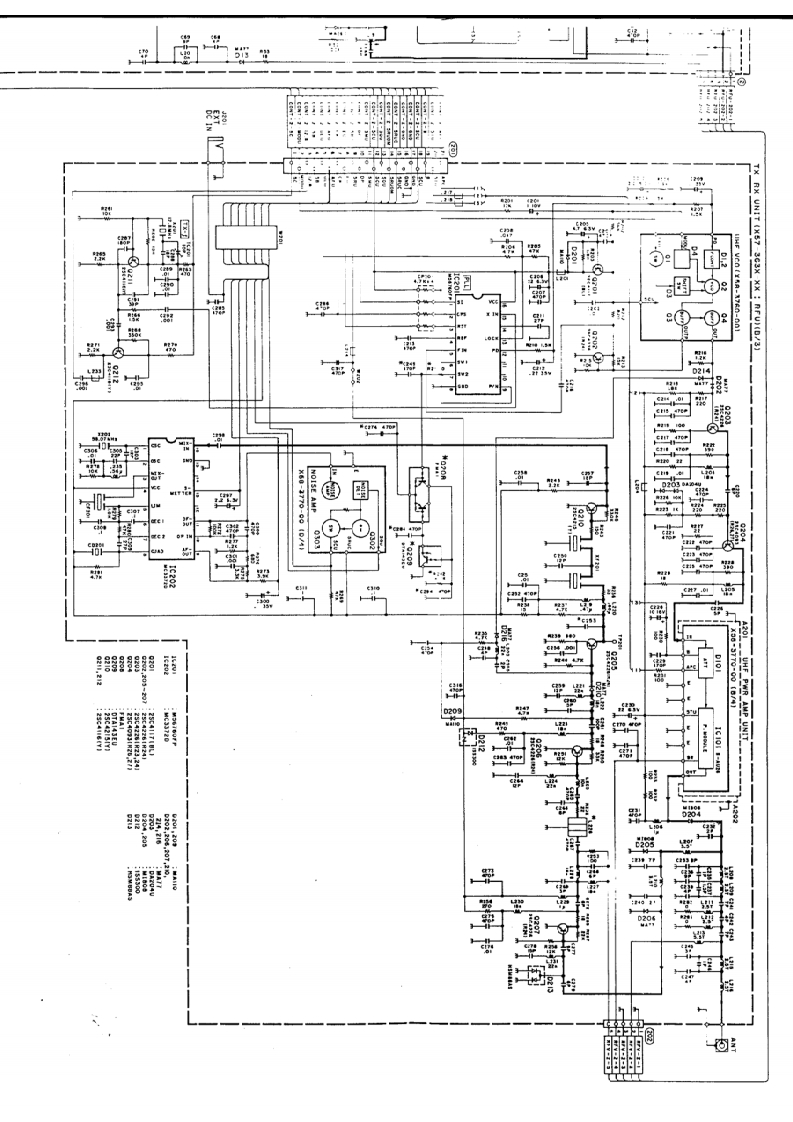
UNF VCO (X58-3760-00①-RX UNIT5.TH-77A/77E BLOCK DIAGRAM:自Q心迎罐X52-3G30-00)S-3819-000简15202:野时8日①菲09102C O N T R O L U N I T (X 5 3-3 330-00)4
喜欢就支持一下吧
评论 抢沙发

请登录后发表评论

    请登录后查看评论内容