KENWOOD–TS-520S-维修用说明书手册

KENWOOD--TS-520S-维修用说明书手册-找手册网
KENWOOD–TS-520S-维修用说明书手册
此内容为付费资源,请付费后查看
1921
付费资源

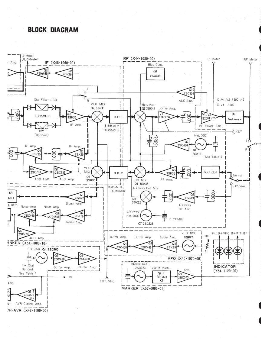
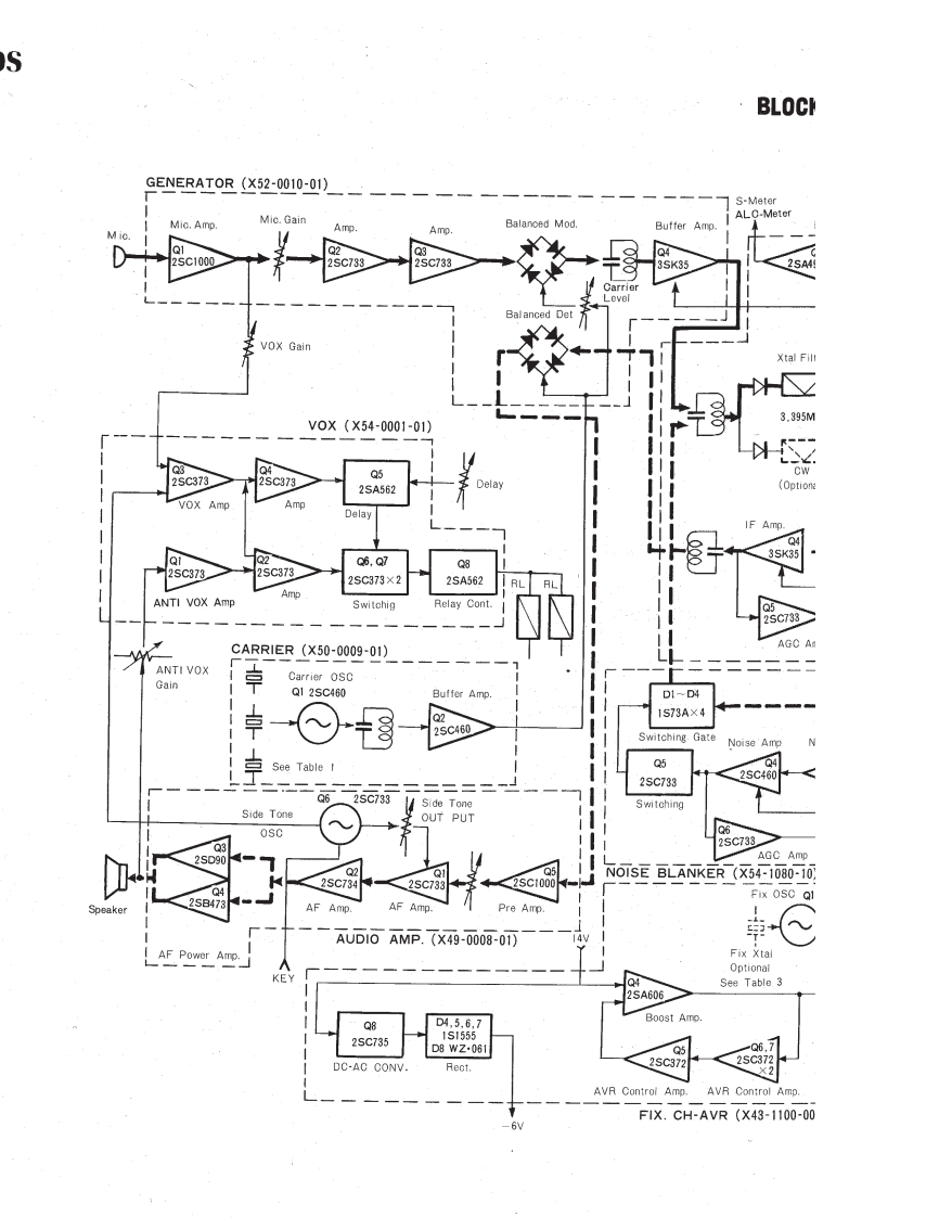
第1页 / 共57页

第2页 / 共57页

第3页 / 共57页

第4页 / 共57页

第5页 / 共57页

第6页 / 共57页

第7页 / 共57页

第8页 / 共57页

第9页 / 共57页

第10页 / 共57页
试读已结束,还剩47页,您可下载完整版后进行离线阅读
THE END
KENWOODSERVICEMANUALTS-520SSSB TRANSCEIVERScanned 24 July 2002.Ward Willats.KG6HAF.Felton,California
喜欢就支持一下吧
评论 抢沙发

请登录后发表评论

    请登录后查看评论内容