

第1页 / 共149页

第2页 / 共149页

第3页 / 共149页

第4页 / 共149页

第5页 / 共149页

第6页 / 共149页

第7页 / 共149页

第8页 / 共149页

第9页 / 共149页

第10页 / 共149页
试读已结束,还剩139页,您可下载完整版后进行离线阅读
THE END
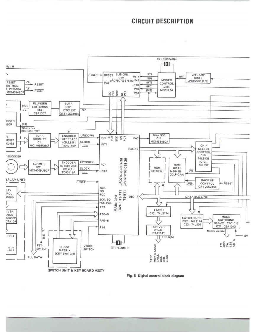
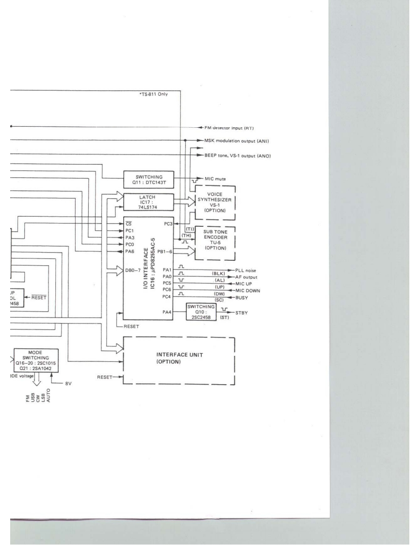
KENWOODSERVICE MANUALTS-711A/E.TS-811A/B/EAC-10,CD-10.TU-5,VS-1144MHz/430MHz ALL MODE TRANSCEIVERPhoto is TS-711A.CONTENTSCIRCUIT DESCRIPTION3TS-811A/B/E LEVEL DIAGRAM..,·.,··.··,71PARTS LIST.,··18TS-711A/E PARTS LIST.·.··········19PACKING,··TERMINAL FUNCTION····73TS811A/B/E PARTS LIST.·..··.··2PC BOARD VIEWS/CIRCUIT DIAGRAMSPC BOARD VIEWS1FUN1T(X481400-XX..·..,··…7SWITCH UNIT (X41-1580-XX)PLL UN1T(X50-1990-XX)·...·..·...78TONE UNIT (X52-1290-60)T.W TYPE41HET UNIT(X50-2000-00)TS-811B/E.·.···.AVR UN1T(X431490-11)....···.····.42HET UN1T(X50-2010-10)TS-811A7RF UNIT (X44-1620-XX)TS-711A/E43CONTROL UNIT (X53-1410-XX)TS-711A/E80RF UNIT (X44-1650-XX)TS-811A/B/E43TS-711A/E BLOCK DIAGRAM··81FINAL UNIT (X45-1380-11)TS-711A/E。44PC BOARD VIEW/CIRCUIT DIAGRAMFINAL UNIT (X45-1390-XX]TS-811A/B/E.....44CONTROL UNIT (X53-1410-XX)TS-811A/B/E..82AFUN1T(X49-1180-00)....,....···.·45TS-811A/B/E BLOCK DIAGRAM...83ENCODER ASS'Y (W02-0364-00)45TS-811A/B/E SCHEMATIC DIAGRAM84D1 SPLAY UN1T(X54-1820-11)...·....·.···46TS-711A/E SCHEMATIC DIAGRAM..······85KEYBOARD ASS'Y (S59-0428-05)47CD-10(CALL SIGN DISPLAY)6DISASSEMBLY....········48VS-1(VOICE SYNTHESIZER)8ADJUSTMENT.,,·,,······52AC-10(CD-10 FOR CHARGER)87TS-711A/E ADJUSTMENT53TU.5 (TONE UNIT).......................87TS-811A/B/E ADJUSTMENT......60TS-711A/E REFERENCE DATA。。。。。。。。8MICROPROCESSOR OPERATION CHECK,···,68DCS SYSTEM OPERATION CHECK...·,.··TS-811A/B/E REFERENCE DATA,···,····8869TS-711A/E SPECIFICATIONS................89TS-711A/E LEVEL DIAGRAM.,,.,..,·.··.70TS-811A/B/E SPECIFICATIONS......BACK COVER
请登录后查看评论内容