

第1页 / 共71页

第2页 / 共71页

第3页 / 共71页

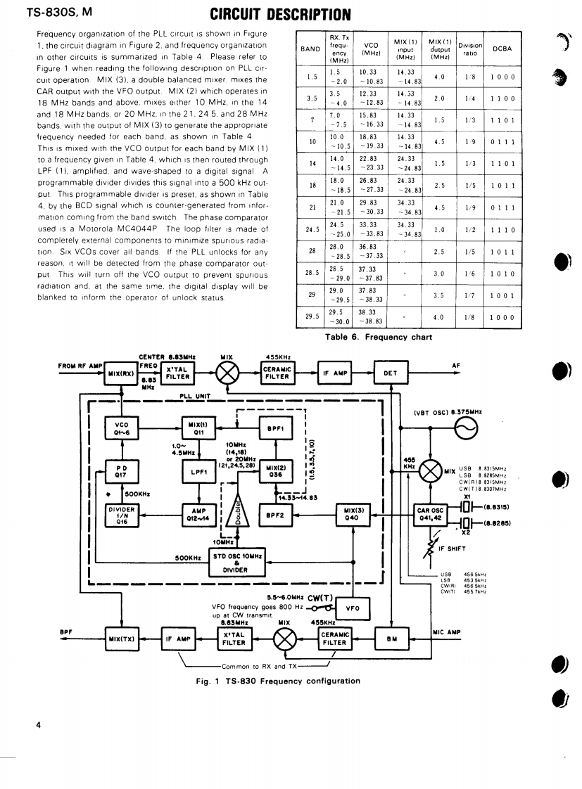
第4页 / 共71页

第5页 / 共71页

第6页 / 共71页

第7页 / 共71页

第8页 / 共71页

第9页 / 共71页

第10页 / 共71页
试读已结束,还剩61页,您可下载完整版后进行离线阅读
THE END
REVISED EDITIONKENWOODSERVICEMANUALModel TS-830S,M(M:EXCEPTUSA MARKETSP-230,VFO-230,AT-230,DS-2(W)TYPE ONLYSP.230TS-830SVf0-230AT.230CONTENTSTS-830S,MVF0-230SPECIFICATIONS2BLOCK DIAGRAM45CIRCUIT DESCRIPTION3SPECIFICATIONS46AC VOLTAGE CONVERSION9CIRCUIT DESCRIPTION46INSIDE VIEWS.....10PC BOARD VIEWSy…49PC BOARD VIEWS11PARTS LIST..PARTS LIST18ADJUSTMENTS.53PACKING.......26PACKING5DISASSEMBLY.......27AC VOLTAGE CONVERSION.56ADJUSTMENTS32SCHEMATIC DIAGRAM57LOCATION OF ADJUSTMENTS42AT-23058LEVEL DIAGRAM...........TS-830M SCHEMATIC DIAGRAM61DS-2...60TS-830S SCHEMATIC ABBREVIATIONsP.230BACK COVERTS-830S SCHEMATIC DIAGRAM63BLOCK DIAGRAM...64HF SSB TRANSCEIVER
请登录后查看评论内容