KENWOOD–TS-870S-维修电器原理图手册

KENWOOD--TS-870S-维修电器原理图手册-找手册网
KENWOOD–TS-870S-维修电器原理图手册
此内容为付费资源,请付费后查看
1921
付费资源

第1页 / 共157页

第2页 / 共157页

第3页 / 共157页

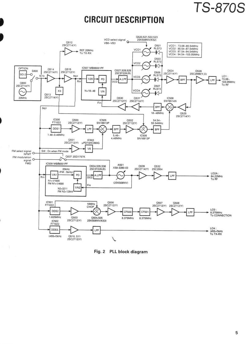
第4页 / 共157页

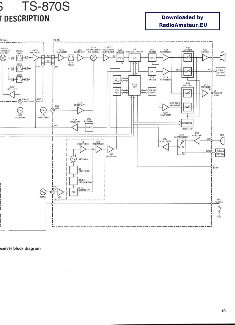
第5页 / 共157页

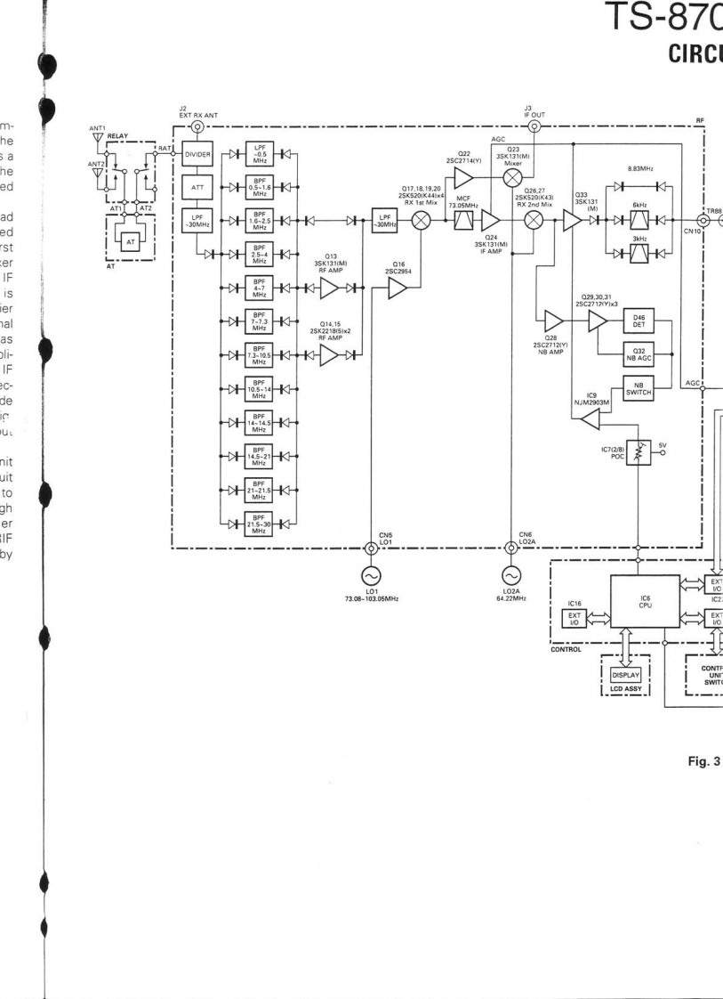
第6页 / 共157页

第7页 / 共157页

第8页 / 共157页

第9页 / 共157页

第10页 / 共157页
试读已结束,还剩147页,您可下载完整版后进行离线阅读
THE END
HF TRANSCEIVERTS-870SKENWOODSERVICE MANUALDownloaded byRadioAmateur.EU@1995-8 PRINTED IN JAPANB51-8296-00(N)1360Knob(K29-4982-03)×3KnobKnob(K29-4991-03)(K29-4967-03)×2KnobBadgeK29-4980-03)×9(B43-1045-04)KnobBadge(K29-4990-03)B43-1101-04)Knob(K29-4978-03)Front glassKnob(B10-1227-031Knob(K29-4989-03)(K29-4992-03)KENWOOD U14200002:29500FootJ02-0474-05)×2Knob(K29-4982-03)×4KnobKnob(K29-4969-03)×2(K29-4969-03)×2Knob ringKnobKnob(K29-4966-041(K29-4968-03)×2(K29-4969-03)×2Cylindrical receptacleKnob(E06-0858-15)Knob(K29-4970-03)×4(K21-1102-04)Knob(K29-4970-03)×2Phone jack(E11-0462-05ABKnobKnobKnob(K29-4982-03)(K29-4982-03)(K29-4982-03)KnobKnobKnobKnob(K29-4982-03(K29-4985-03)Knob(K29-4982-03)Knob(K29-4982-03)(K29-4982-03(K29-4982-031KnobKnobKnobKnobKnobK29-4986-03)(K29-4982-03)(K29-4983-03)K29-4981-03)(K29-4982-03)KnobKnobKnob(K29-4982-03)KnobKnob(K29-4982-03(29-4987-03)(K29-4983-03)K29-4981-03)KnobKnob(K29-4980-03)K29-4980-03KnobKnobKnob(K29-4988-03(K29-4983-03)(K29-4981-03)KnobKnobKnobK29-4984-03K29-4984-03)(K29-4982-03KnobKnobKnob(K29-4982-03(K29-4979-03)(K29-4979-03
喜欢就支持一下吧
评论 抢沙发

请登录后发表评论

    请登录后查看评论内容