

第1页 / 共92页

第2页 / 共92页

第3页 / 共92页

第4页 / 共92页

第5页 / 共92页

第6页 / 共92页

第7页 / 共92页

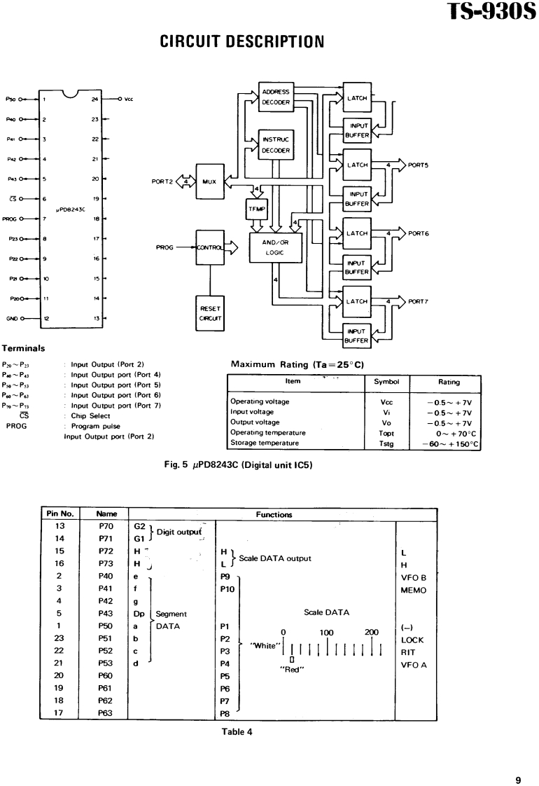
第8页 / 共92页

第9页 / 共92页

第10页 / 共92页
试读已结束,还剩82页,您可下载完整版后进行离线阅读
THE END
KENWOODSERVICE MANUALTS-930SSP.930,AT-930,S0-1HF TRANSCEIVER2090:.Downloaded by▣Amateur Radio Directory□www.hamdirectory.infoCONTENTSSPECIFICATIONS....................2MAIN ENCODER UNIT(X54-1680-0O)+-..···40CIRCUIT DESCRIPTION3RIT ENCODER UNIT (X54-1690-00)..40FILTER DATA20SIGNAL UNIT (X57-1000-11)41SEMICONDUCTOR DATA21PARTS LIST.…H·45OUTSIDE VIEWS.........28PACKING.·e·59PC BOARD VIEWS行外有DISASSEMBLY....:2···60LPF UNIT (X51.128001f3029ADJUSTMENT .......63SW UNIT(X41-141000)·.30,31LEVEL DIAGRAM.,.·78,79POWER SUPPLY UNIT (X43-1430-00).--....32,33BLOCK DIAGRAM80RF UNIT (X441490-00).3..32,33SP930.81PLL UNIT(X50-188000).i…于3435AT-930.,……·83DIGITAL UNIT (X54-1670-00)2..36,37BACK COVERAT UNIT(X57-1010-00).·..,·..·38,39INTERCONNECT100 W FINAL UNIT.(X56-1430-001.......40SIGNAL UNIT SCHEMATIC.,.·.....·INSERT
请登录后查看评论内容