Kenwood_AT-250_user操作说明书手册

Kenwood_AT-250_user操作说明书手册-找手册网
Kenwood_AT-250_user操作说明书手册
此内容为付费资源,请付费后查看
1921
付费资源

第1页 / 共9页

第2页 / 共9页

第3页 / 共9页

第4页 / 共9页

第5页 / 共9页

第6页 / 共9页

第7页 / 共9页

第8页 / 共9页

第9页 / 共9页
已完成全部阅读,共9
THE END
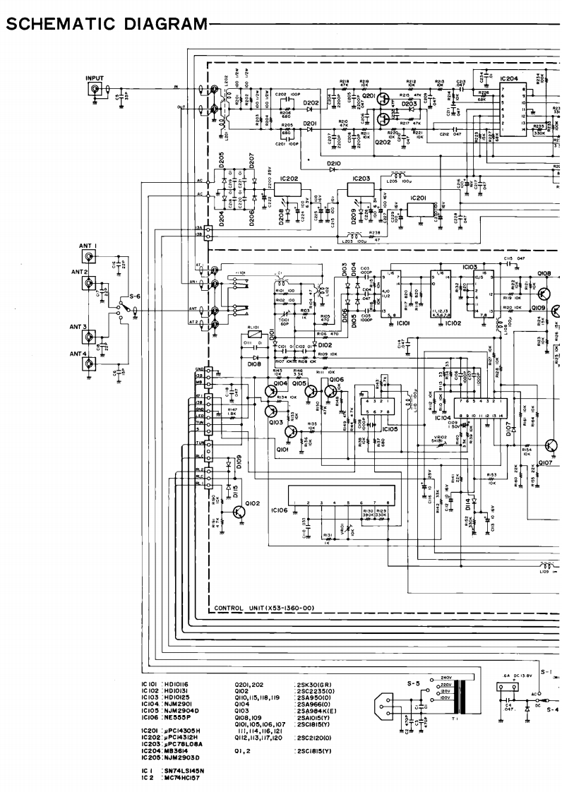
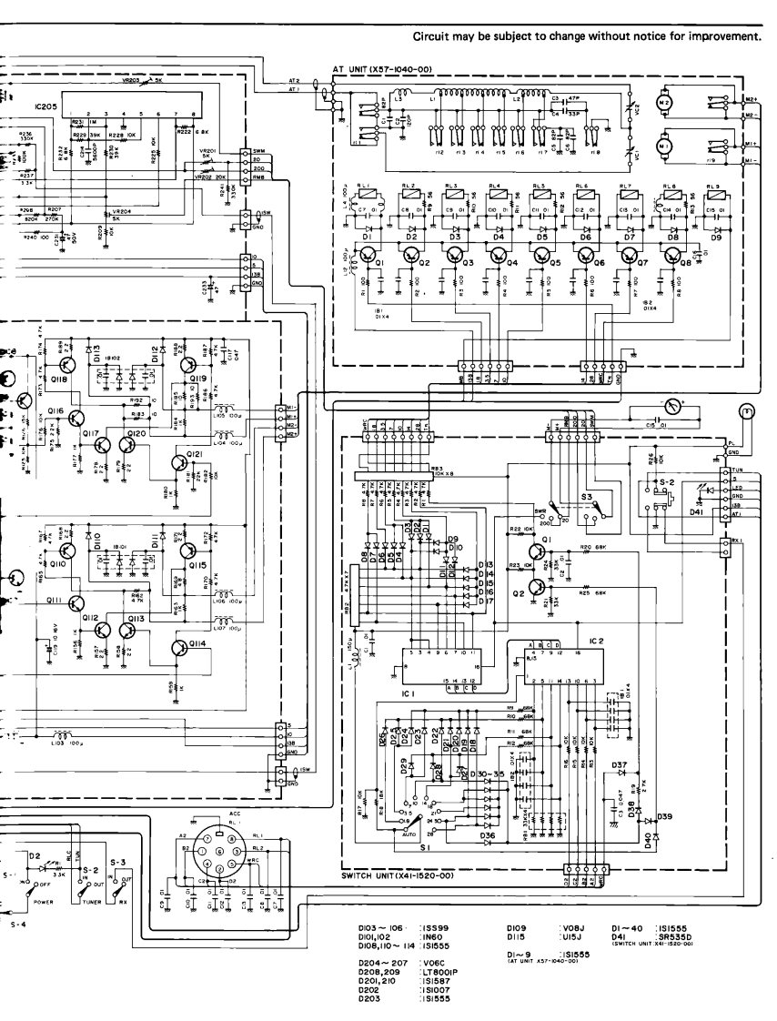
AT-250AUTOMATIC ANTENNA TUNERENNA TUNER AT-250CAUTION1)The AT-250 is capable of sustaining 100W con-You are the owner of our latest product,the new AT-250 Automatictinuous operating input power.However,duringAntenna Tuner.Please read this instruction manual carefully beforeauto tuning,very high voltage appears in theplacing your unit in service.The unit has been carefully engineeredtuning circuit and the reflected impedance forand manufactured to rigid quality standards,and should give youthe transceiver varies greatly.Therefore,to pro-satisfactory and dependable operation for many years.tect the transceiver,adjust the transmit outputto less than 50W before tuning.2)The antenna tuner is capable of matching a 20-150 ohm load,or approximately up to 2.5:1SWR.If the antenna and feed system exceed thisrange,the tuner may not stop,since it is beyondthe auto tuner's capability.In this case,do notattempt further auto-tuner operation.To perform auto-tuner operation,first adjust theantenna and feed system.FEATURES1.All amateur bands covered in the HF range4.POWER-SWR meterCovers all amateur bands including the new WARC bandUp to either 20 W or 200 W is indicated by the built-infrom 1.8 through 28 MHz.POWER-SWR meter.When the METER switch is set to2.Automatic band selectionSWR,SWR is autoamtically calculated and indicated onWhen connected to the TS-430,the operating band isthe scale.automatically selected from the transceiver.5.Four antenna jacks3.Dual power source capabilityFour antennas cover a broad frequency range.Any ofOperation from either 120,220,or 240 V AC or 13.8Vthese antennas can be selected by the ANTENNA switchDC.on the front panel.In normal operation (with the RX switch OUT),only thetransmission signal will pass through the antenna tuner.
喜欢就支持一下吧
评论 抢沙发

请登录后发表评论

    请登录后查看评论内容