Kenwood_BC-19_user操作说明书手册

Kenwood_BC-19_user操作说明书手册-找手册网
Kenwood_BC-19_user操作说明书手册
此内容为付费资源,请付费后查看
1921
付费资源

第1页 / 共4页

第2页 / 共4页

第3页 / 共4页

第4页 / 共4页
已完成全部阅读,共4
THE END
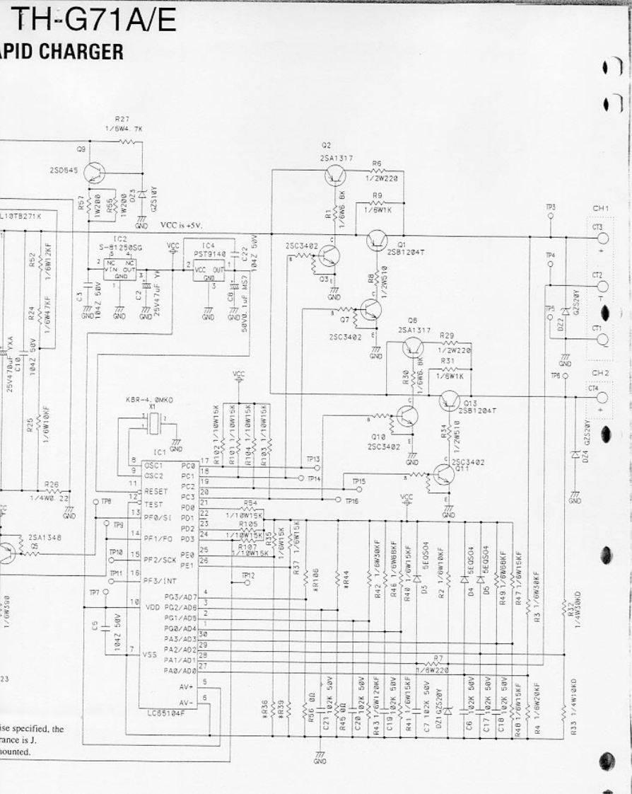
RAPID CHARGERBC-19Downloaded byKENWOODRadioAmateur.EUKENWOOD CORPORATIONINSTRUCTION MANUALATTENTION:The charger operates on the following voltages:CHARGING PROCEDUREU.S.A/Canada:120VAC,60H也oyEurope:230VAC.5060HzATTENTION:Always switch OFF a transceiver equipped with a NiCdCheck the rating label attached to the bottom of the charger for otherbattery pack before inserting the transceiver into the charger.important specifications.1 Plug the AC adapter cable into the adapter jack located on therear of the charger.UNPACKINGItemPart NumberOtyChargerAC adapterW08-0477-XX1(U.S.A./Canada)AC adapter (Europe)W08-0478-XXInstruction manualB62-0810-XX2 Plug the AC adapter into an AC outlet.APPLICABLE NiCd BATTERY PACKSCharge only the NiCd battery packs listed below.Other types ofbatteries may burst causing personal injury.To ACU.S.A./Canadaoutlet·PB-38(6V.650mAh)·PB-39(9.6V,600mAh)ORIENTATIONEuropeAC adapter jackngaaaaaaan5Plug in the supplied8u0AC adapter here.3 Slide a NiCd battery pack or a transceiver equipped with abattery pack into the charging slot.Make sure that the metal contacts on the pack matesecurely with the charger terminals.The indicator lights and charging starts.Slot for batterypackSlide the batterypack into this slotIndicatorThis dual-colorindicatorreports the chargerstatus.CHARGER STATUS TABLEIndicator ColorMeaningIndicates a battery pack is in the slot4RedWhen charging is completed,the indicator lights green.and that charging has started.Remove the battery pack or the transceiver from the chargingBlinking RedIndicates a defective battery pack.slot.GreenIndicates charging has completed.When the charger will not be used for a long time,unplugthe AC adapter from the AC outlet.SPECIFICATIONSAPPROXIMATE CHARGING TIMESDimensions:105X55X135mmBattery PackVoltage Battery Capacity Charging Time(WxHxD)41/8X211/64X55/16inWeight (charger only):Approx.160 g/5.6 ozPB-386.0V650 mAhApprox.60 minutesP8-399.6V600 mAhApprox.90 minutes
喜欢就支持一下吧
评论 抢沙发

请登录后发表评论

    请登录后查看评论内容