kenwood_ka-1060_维修手册

kenwood_ka-1060_维修手册-找手册网
kenwood_ka-1060_维修手册
此内容为付费资源,请付费后查看
1921
付费资源

第1页 / 共15页

第2页 / 共15页

第3页 / 共15页

第4页 / 共15页

第5页 / 共15页

第6页 / 共15页

第7页 / 共15页

第8页 / 共15页

第9页 / 共15页

第10页 / 共15页
试读已结束,还剩5页,您可下载完整版后进行离线阅读
THE END
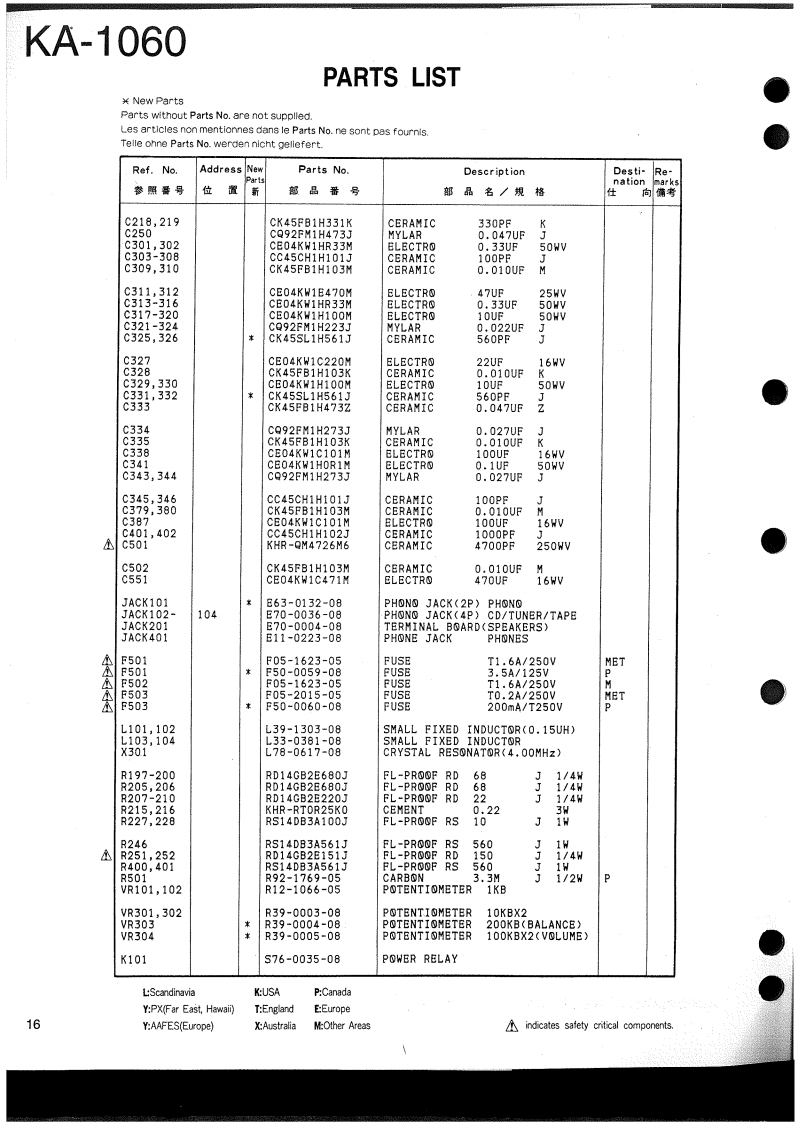
KENWOODKA-1060SERVICE MANUAL1994-9 PRINTED IN KOREAB51-4912-00K92758Knob(POWER)Metallic cabinetPanelKnob (VOLUME)Knob (INPUT SELECTOR)(K29-6095-08)A01-3216-08)(A60-0704-08)(K29-6091-08)(K29-6092-08)Phone jack (PHONES)(E11-0223-08)Foot(Front)Knob(SPEAKERS)Knob x3Knob (MUTE/LOUD)(J02-1099-08)(K29-6093-08)(K29-6090-08)(K29-6094-08)Phono jack(2p,PHONO)Power cord bushingE63-6132-08)(J42-0200-08)AC power cord*(E30-)Phono jack(4p,CD/TUNER)(E70-0036-08)Phono jack x2Slide switchTerminal boardFoot(Rear)(4p,TAPE)(IMPEDANCE SEL)(SPEAKERS)(J02-1124-08)(E70-0036-08)(S62-0032-08)(E70-0004-08)Refer to parts list on page 14.Caution:Signal ground floats from chassis ground.Please connect the cold lead of tester or oscilloscope to the cold terminal of speaker orinput jack if check and/or measure the voltage.(Don't connect ground of unit.)
喜欢就支持一下吧
评论 抢沙发

请登录后发表评论

    请登录后查看评论内容