Kenwood_MC-59_serv维修手册含电器原理图

Kenwood_MC-59_serv维修手册含电器原理图-找手册网
Kenwood_MC-59_serv维修手册含电器原理图
此内容为付费资源,请付费后查看
1921
付费资源

第1页 / 共4页

第2页 / 共4页

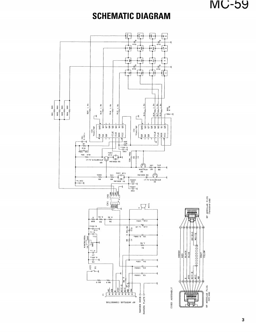
第3页 / 共4页

第4页 / 共4页
已完成全部阅读,共4
THE END
KEYPAD MICROPHONEMC-59KENWOODKenwood CorporationSERVICE MANUAL2007-8 PRINTED IN JAPANB51-8804-00(N)263Lever knobKey topCurl cordK29-5369-23)(K29-9400-03)(E30-7614-08)PARTS LISTRef.No.AddressNewpartsParts No.DescriptionDestination*E30-7614-08CURL CORDACSY2E58-0475-05MODULAR JACK3G02-0852-44FLAT SPRINGPTT4J19-1584-15MIC HANGERACSYK29-5368-13KEY TOPPTTK29-5369-23LEVER KNOBPTT7K29-9400-03KEY TOP16 KEYN83-3020-45PAN HEAD TAPTITE SCREWBN89-2005-46BINDING HEAD TAPTITE SCREW8S70-0476-05TACT SWITCH9T91-0572-05ECMDocument CopyrightsDisclaimerCopyright 2007 by Kenwood Corporation.All rightsWhile every precaution has been taken in the preparationreserved.of this manual,Kenwood assumes no responsibility forNo part of this manual may be reproduced,translated,errors or omissions.Neither is any liability assumed fordistributed,or transmitted in any form or by any means.damages resulting from the use of the information containedelectronic,mechanical,photocopying,recording,orherein.Kenwood reserves the right to make changes to anyotherwise,for any purpose without the prior writtenproducts herein at any time for improvement purposes.permission of Kenwood.This PCB does not have the LF silk screen,but itThis product complies with the RoHS directive for the European market.is a lead-free solder corresponding product.
喜欢就支持一下吧
评论 抢沙发

请登录后发表评论

    请登录后查看评论内容