Kenwood_PC-1A_user操作说明书手册_WA0KKE

Kenwood_PC-1A_user操作说明书手册_WA0KKE-找手册网
Kenwood_PC-1A_user操作说明书手册_WA0KKE
此内容为付费资源,请付费后查看
1921
付费资源

第1页 / 共6页

第2页 / 共6页

第3页 / 共6页

第4页 / 共6页

第5页 / 共6页

第6页 / 共6页
已完成全部阅读,共6
THE END
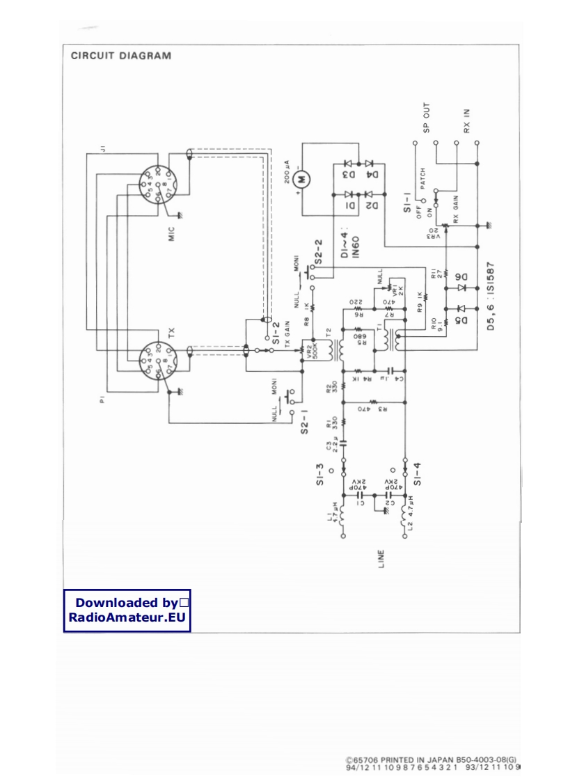
PHONE PATCH CONTROLLERDownloaded byRadioAmateur.EUPC-1AINSTRUCTION MANUALYour new PC-1A Phone Patch has been carefully engineered andmanufactured under rigid quality standards.and should give yousatisfactory and dependable operation for many years.Before using.we suggest that you read through this instruction manual tobecome acquainted with correct operation.Should any trouble arise with the unit,please contact either your dealer.orthe KENWOOD factory service facility.FEATURES:1.The PC-1A Phone Patch provides connection between a transceiver anda telephone line.2.It is designed to provide excellent performance with high isolationbetween receiver input and transmitter output.3.Its compact design permits convenient installation in a limited space.NOTE:When using the PC-1A Phone Patch with a TS-940.TS-930.TS-820,orTS-520 series transceiver.DO NOT use the Phone Patch IN or OUT jacks onthe transceiver.Rather,follow the hookup instructions in this manual.THIS UNIT COMPLIES WITH PART 68.OF FCC RULESFCC REGISTRATION NUMBER ALH9TK-70306-OT-NRINGER EQUIVALENCE 2.2AMANUFACTURED BY:KENWOOD US.A.CORPORATIONPO BOX 22745 2201 East Dominguez St Long Beach.CA90801-5745USA
喜欢就支持一下吧
评论 抢沙发

请登录后发表评论

    请登录后查看评论内容