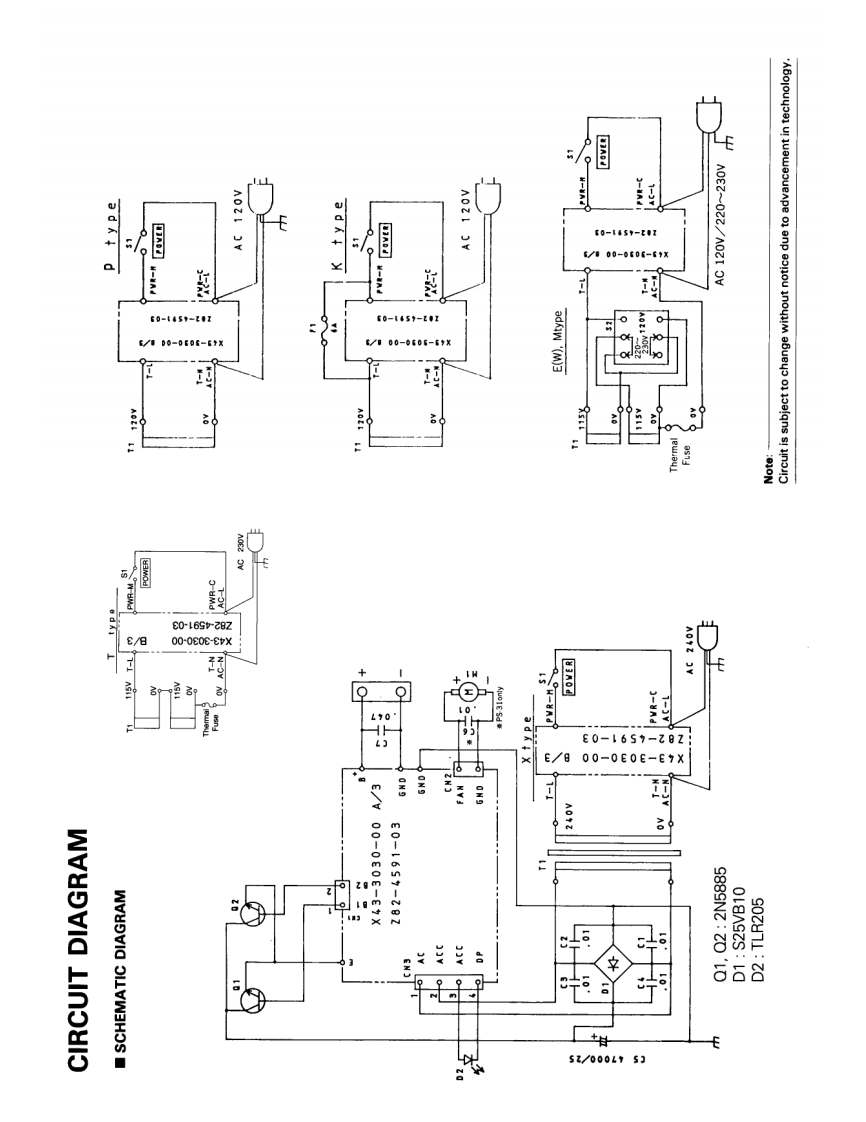
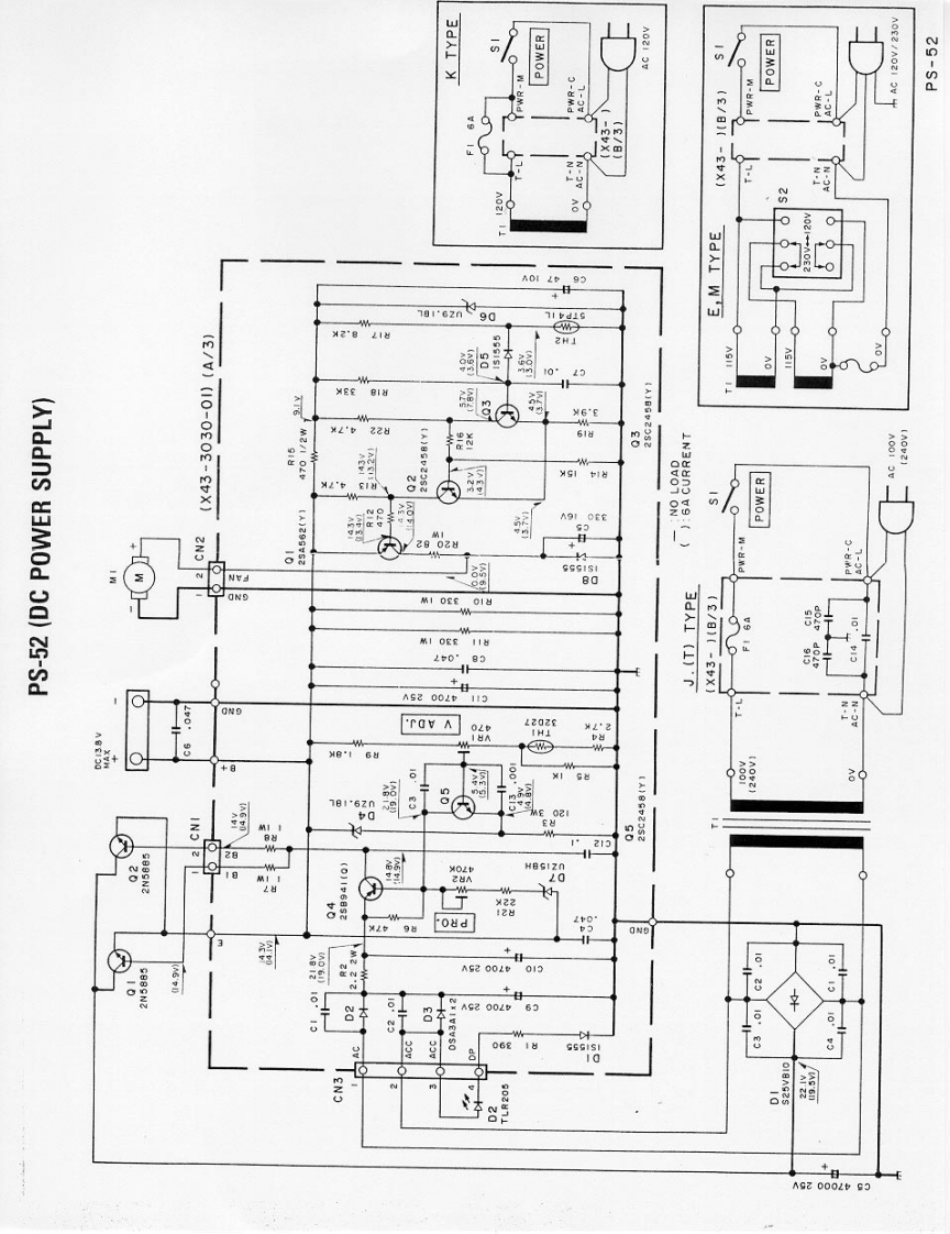
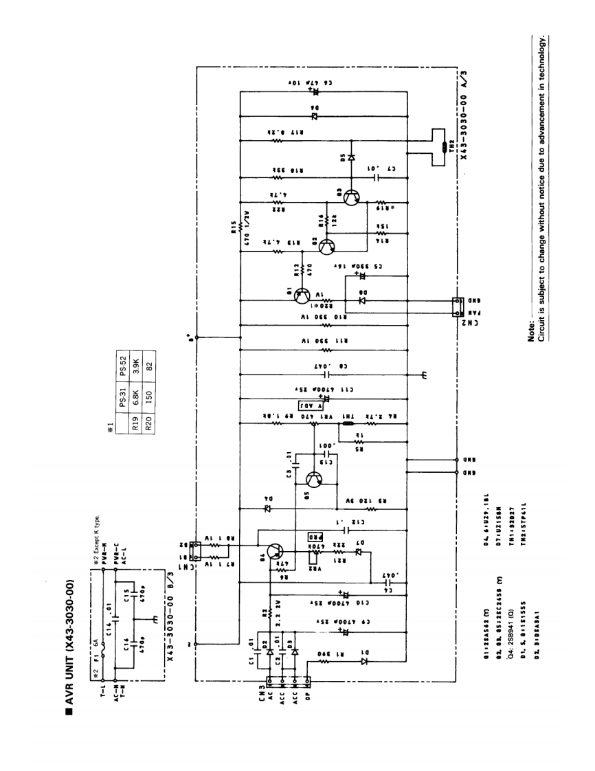
Kenwood_PS-31_PS-52_电器原理图找手册网31天前发布关注私信0.36MB3页044Kenwood_PS-31_PS-52_电器原理图此内容为付费资源,请付费后查看¥19¥21黄金会员免费钻石会员免费登录购买付费资源 第1页 / 共3页 第2页 / 共3页 第3页 / 共3页 已完成全部阅读,共3页 THE END建武 文本预览 E0-4s-E01/000-06-1E0-145-Z8760-l4s9-t01/D0-0E0-6x/000-0E06-69装adiW '(M)3eJON0-69292e/800-OEOE-EX名L与0E0-↓6S7-Z8ZE/800-0e0e-e7XE/VO N0ZF31A6377A7r00-080E-E4xE0-1557-282G89N0:20690:205/000L1 查看更多 收起部分 喜欢就支持一下吧收藏
请登录后查看评论内容