Kenwood_PS-40_user操作说明书手册

Kenwood_PS-40_user操作说明书手册-找手册网
Kenwood_PS-40_user操作说明书手册
此内容为付费资源,请付费后查看
1921
付费资源

第1页 / 共5页

第2页 / 共5页

第3页 / 共5页

第4页 / 共5页

第5页 / 共5页
已完成全部阅读,共5
THE END
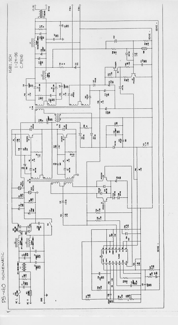
SUPER Small and LightweightSwitching Power SupplyKenwood PS-40Kenwood is pleased to announce a new switching power supply,model PS-40Rated at 23 amps,a size similar to the TS-50S,and weighing 4.5 pounds,the PS-40is ideal for use in the home or on the road.The primary input voltage is easilychanged from 115V to 230v by an external switch-great for trips abroad.The PS-40 is the result of Kenwood's demanding requirements for high reliability,low noise,and the desire to have a companion supply for the TS-50S.Look atthese specifications!KENWOODKenwood PS-40Size:7/h6”Wx23/a”Hx87Ie”D(2'/h6”H with feet)matches TS-50S,TS-60SWeight:4.5 pounds0 A Minimum,20 A Maximum(continuous),23 A PeakInput Voltage:115/230 VAC,+-10%,50/60 Hz,Rear-panel Switch SelectableOutput Voltage:13.8V +-50mV DCRegulation 300 mVRipple:Less than 20mV rmsStability:+-2.0%Efficiency:80%,minimumProtection:AC input over voltage,AC input fuse,output over current,andover voltage,thermalOvershoot:No overshoot at power turn on or turn offOperating Range Temperature:-20C to +60CBearing fan mounted on rear panelAvailable At Your Kenwood Amateur Radio Dealer!KENWOODKENWOOD COMMUNICATIONS CORPORATION96660
喜欢就支持一下吧
评论 抢沙发

请登录后发表评论

    请登录后查看评论内容