

第1页 / 共42页

第2页 / 共42页

第3页 / 共42页

第4页 / 共42页

第5页 / 共42页

第6页 / 共42页

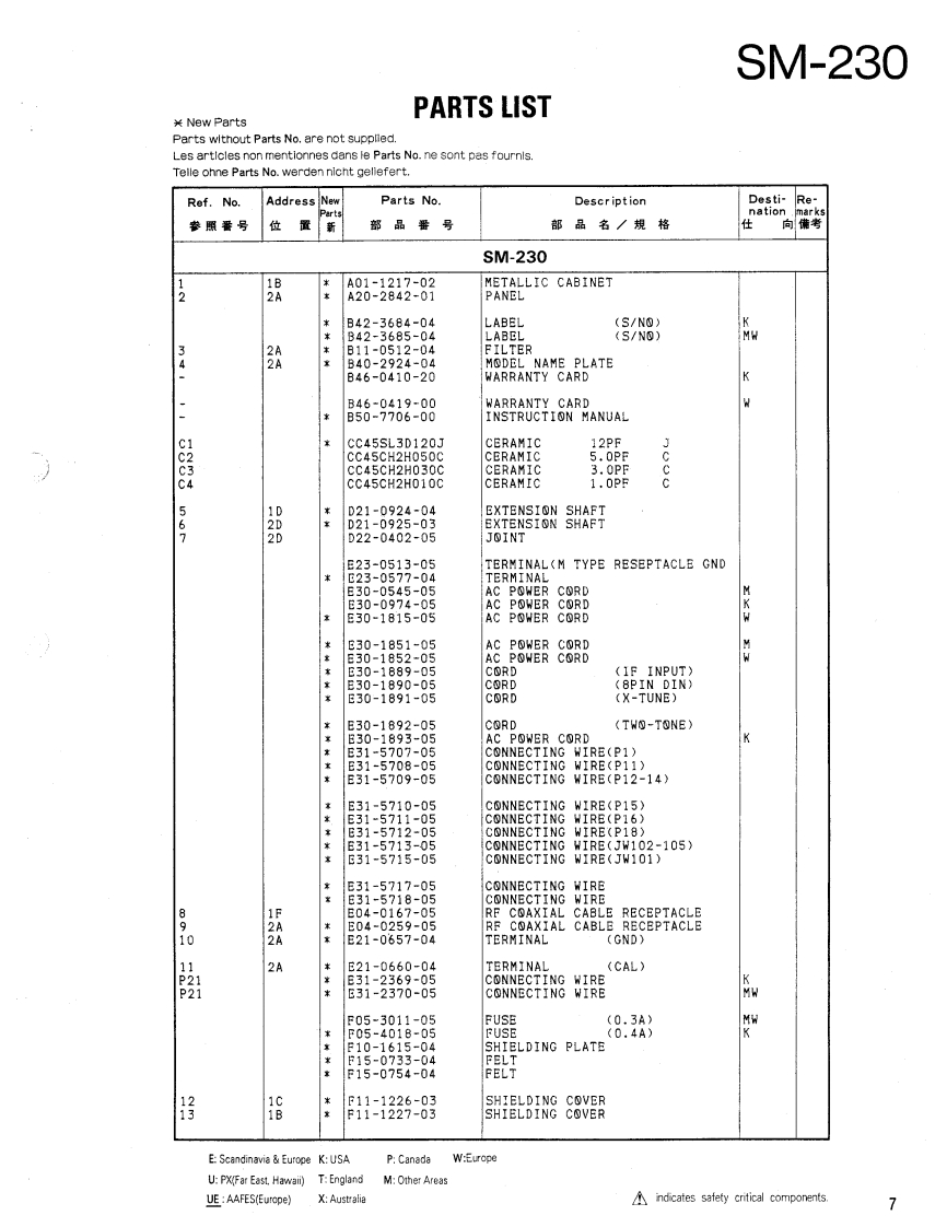
第7页 / 共42页

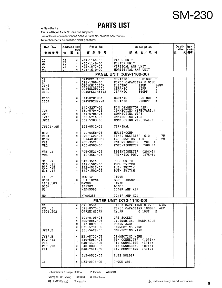
第8页 / 共42页

第9页 / 共42页

第10页 / 共42页
试读已结束,还剩32页,您可下载完整版后进行离线阅读
THE END
Downloaded by□Amateur Radio Directory▣KENWOODwww.hamdirectory.infoAPU-0008Publication UpdateAmateur Radio DivisionSubject:SM-230 Service ManualDate:Janurary 13,1993The part numbers for item number 12 and 14 are incorrect in the exploded view provided on pagenumber 15 of the service manual(B51-8027-00 1989-9).Please make the changes notedbelow to the EXPLODED VIEW on page number 15 of this manual.The part numbers listed inthe PARTS LIST on pages 7 and 8 of this manual are correct and do not need to be changed.Shield CoverF11-1228-03 (Incorrect No.)F11-1226-03(Correct No.)12Shield CoverF11-1226-03 (Incorrect No.)F11-1228-03 (Correct No.)1411393 by CLM for Kenwood U.S.APage 1 of 1
请登录后查看评论内容