

第1页 / 共11页

第2页 / 共11页

第3页 / 共11页

第4页 / 共11页

第5页 / 共11页

第6页 / 共11页

第7页 / 共11页

第8页 / 共11页

第9页 / 共11页

第10页 / 共11页
试读已结束,还剩1页,您可下载完整版后进行离线阅读
THE END
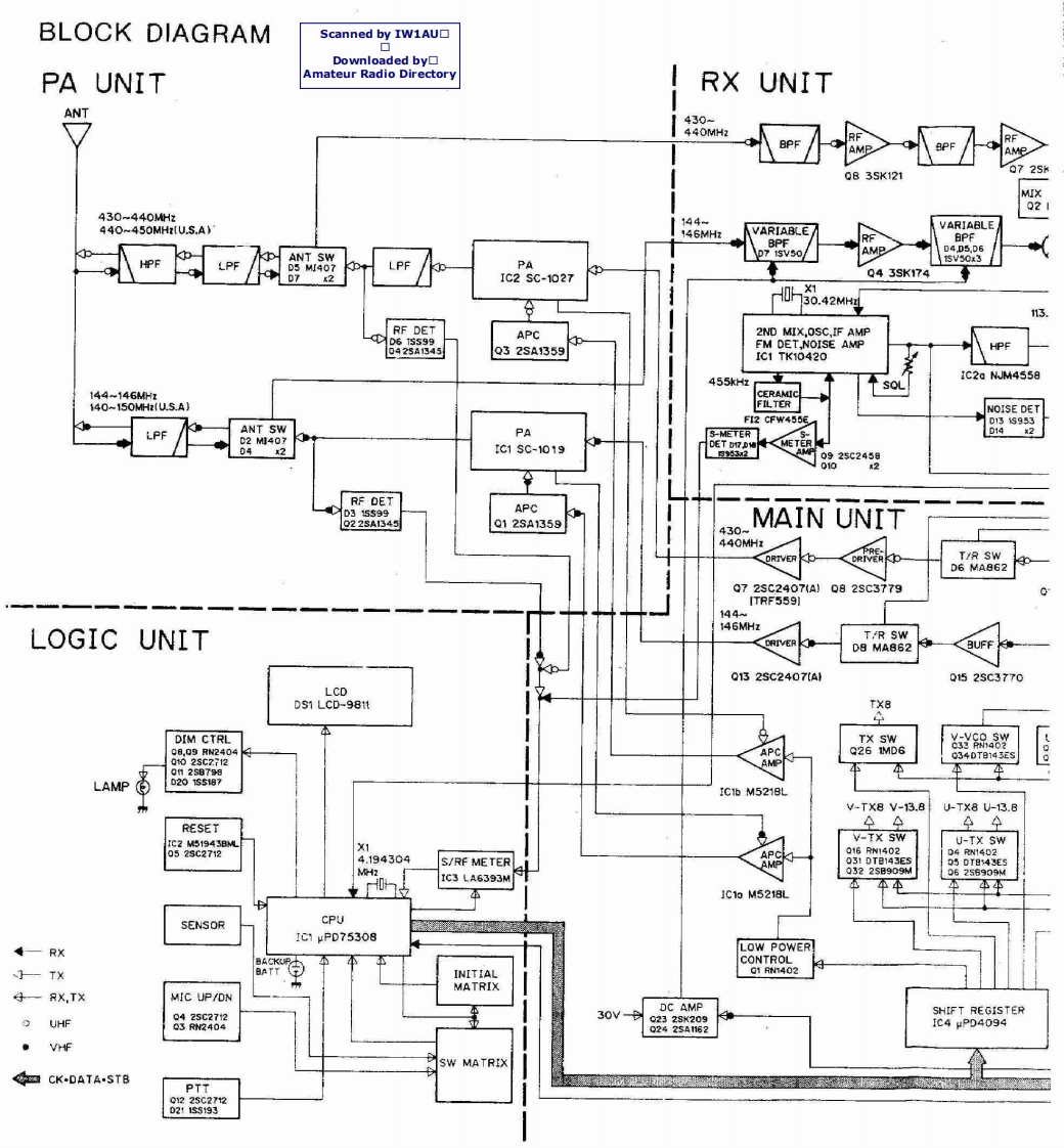
BLOCK DIAGRAMScanned by IW1AU▣Downloaded by▣PA UNITAmateur Radio DirectoryRXUNITANT430-440MH2r/AMe0B3SK121MIX21430-~440MHz144-440-450MHIU.S.A146MHzVARIABLEVARIABLEBPFBPFAMP0405.D6ANT SWD7 I5VSOHPF5V0x3LPFD5 MJ407LPFPAD71C2$C-1027Q43SK174A030.42M4X113RF DETAPC2ND MIX,OSC.IF AMPD615S990425A1345Q32sA1359FM DET,NOISE AMPHPFIC1TK10420455kHzIC2a NJM4558SOL144-146MHzCERAMIC140-150MHu.S.A)FILTERNOISE DETFI2 CFW4556D131s953LPFANT SWPAS-METERD142D2M407METER04x2rc1sC-1019DET0925C245日0102RF DETD315599APC8225A345Q12SA1359MAIN UNIT430m440MHzPRET/R SWD6 MA862Q72sC2407A」Q82SC3779ITRF559)144146MHzLOGIC UNITT/R SWCRIVERD8 MA862BUFF0132SC2407a10152SC3770LCDDS1 LCD-981tTX8DIM CTRLTX SW5服Y08.Q9RN2404APCQ26 IMD6002sC2712034DTB143ES0H25B799LAMPD2015187IC1b M5218LV-Tx8V-13.8U-TX8U-13.8RESETA344V-TX SW6322r08U-TX SWAPC016RW140204RW14024.194304S/RF METERAMP031DT日143EsD5DT日43EsMH2Q322sB909WD6256909MIC3 LA6393M本车对1C13M5218LSENSORCPUIC1PD75308LOW POWERCONTROL—TXBATTINITIAL01 RN402MATRIX一RXTXMIC UP/DN30v-DC AMPSHIFT REGISTERO UHF8846Q2328K209Q2425A162IC4uP04094VHFSW MATRIXCK-DATA-STBPTT01225C27120211s5193
请登录后查看评论内容