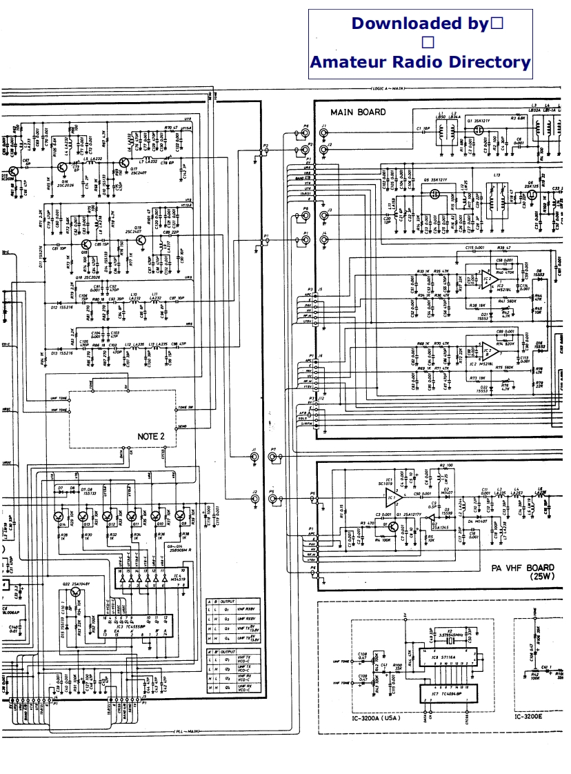
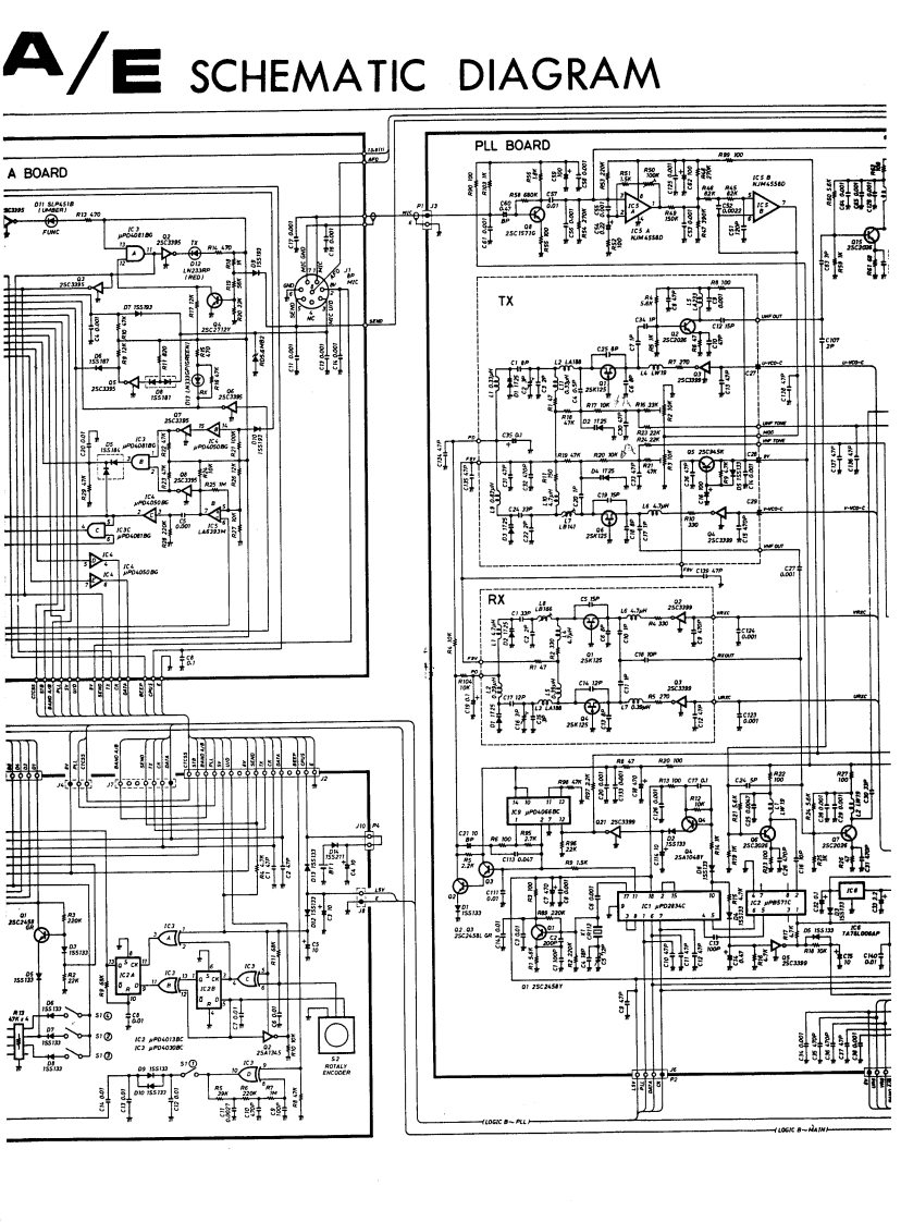
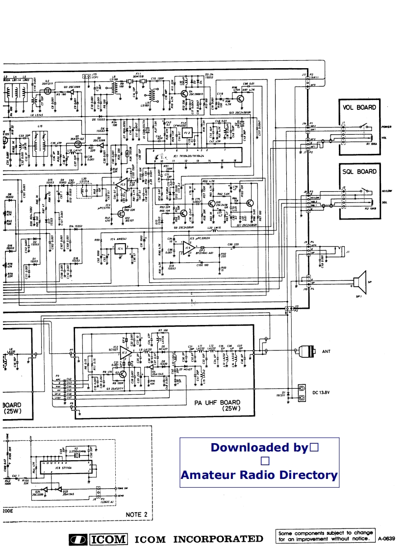
ICOM艾可慕IC-3200A_E_电器原理图找手册网31天前发布关注私信0.36MB4页027ICOM艾可慕IC-3200A_E_电器原理图此内容为付费资源,请付费后查看¥19¥21黄金会员免费钻石会员免费登录购买付费资源 第1页 / 共4页 第2页 / 共4页 第3页 / 共4页 第4页 / 共4页 已完成全部阅读,共4页 THE END艾可慕 文本预览 Downloaded by□口IG-32O▣AAmateur Radio▣Directory5H展C净1w5-00LOGIC A BOARLEDD999(之6古节茴IC-3200gON1C-3200ELOGIC B BOARDOPTION贸受1C-3200A()】VOICESYNTHESIZERNOTE 1 查看更多 收起部分 喜欢就支持一下吧收藏
请登录后查看评论内容