ICOM艾可慕IC-2400A_E_电器原理图

ICOM艾可慕IC-2400A_E_电器原理图-找手册网
ICOM艾可慕IC-2400A_E_电器原理图
此内容为付费资源,请付费后查看
1921
付费资源

第1页 / 共10页

第2页 / 共10页

第3页 / 共10页

第4页 / 共10页

第5页 / 共10页

第6页 / 共10页

第7页 / 共10页

第8页 / 共10页

第9页 / 共10页

第10页 / 共10页
已完成全部阅读,共10
THE END
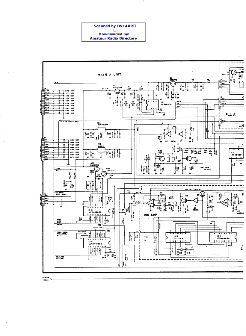
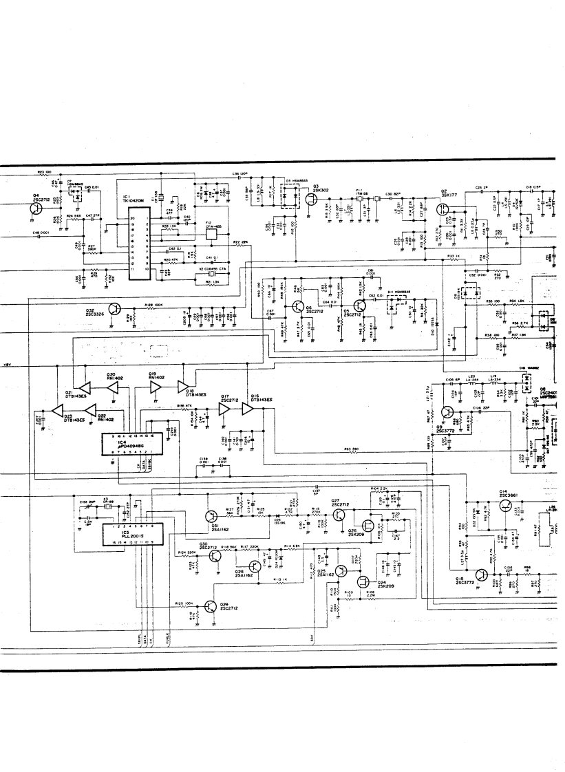
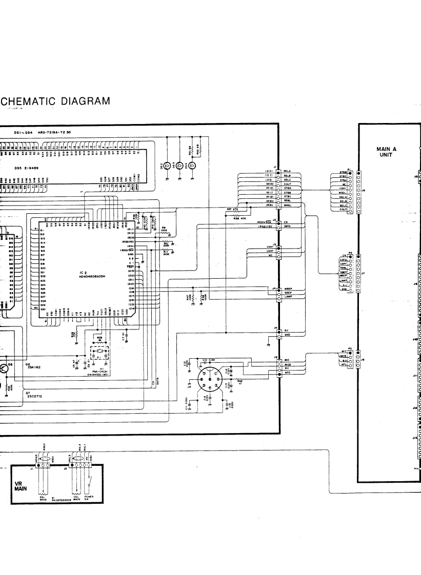
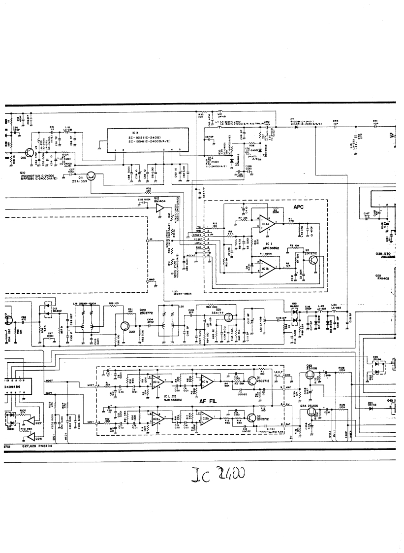
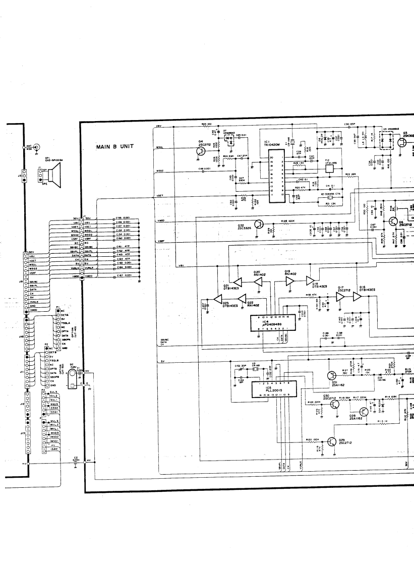
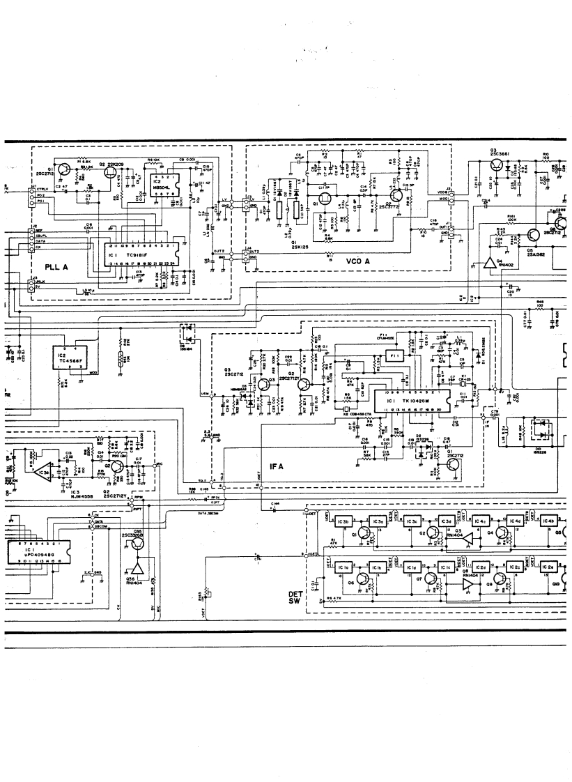
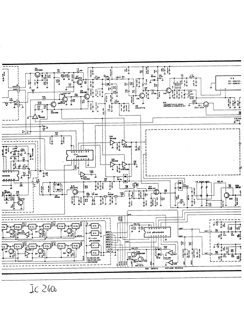
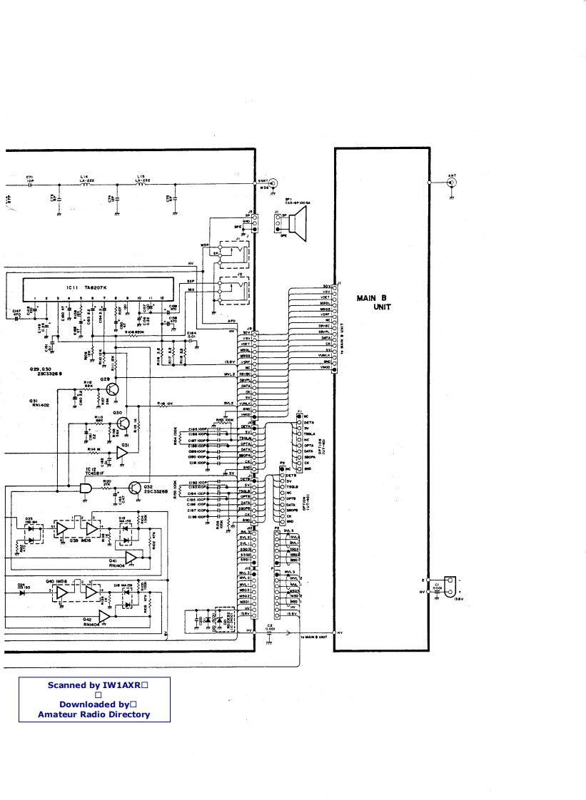
Scanned by IW1AXR▣▣Downloaded by▣Amateur Radio DirectoryCOMIC-2400A1C-2400ESCHELOGIC UNITD3P的eebbabfebccbeceeccee否8多五8京桌日雨日新茶g日名82DS5月商店8日8日月经任9及器B是:1驻翔明明明明班阳g背28日正g8m74022283的2”60⊙。61C-2400EIEURIIC-2400AIUS Al深SENSOR
喜欢就支持一下吧
评论 抢沙发

请登录后发表评论

    请登录后查看评论内容