

第1页 / 共190页

第2页 / 共190页

第3页 / 共190页

第4页 / 共190页

第5页 / 共190页

第6页 / 共190页

第7页 / 共190页

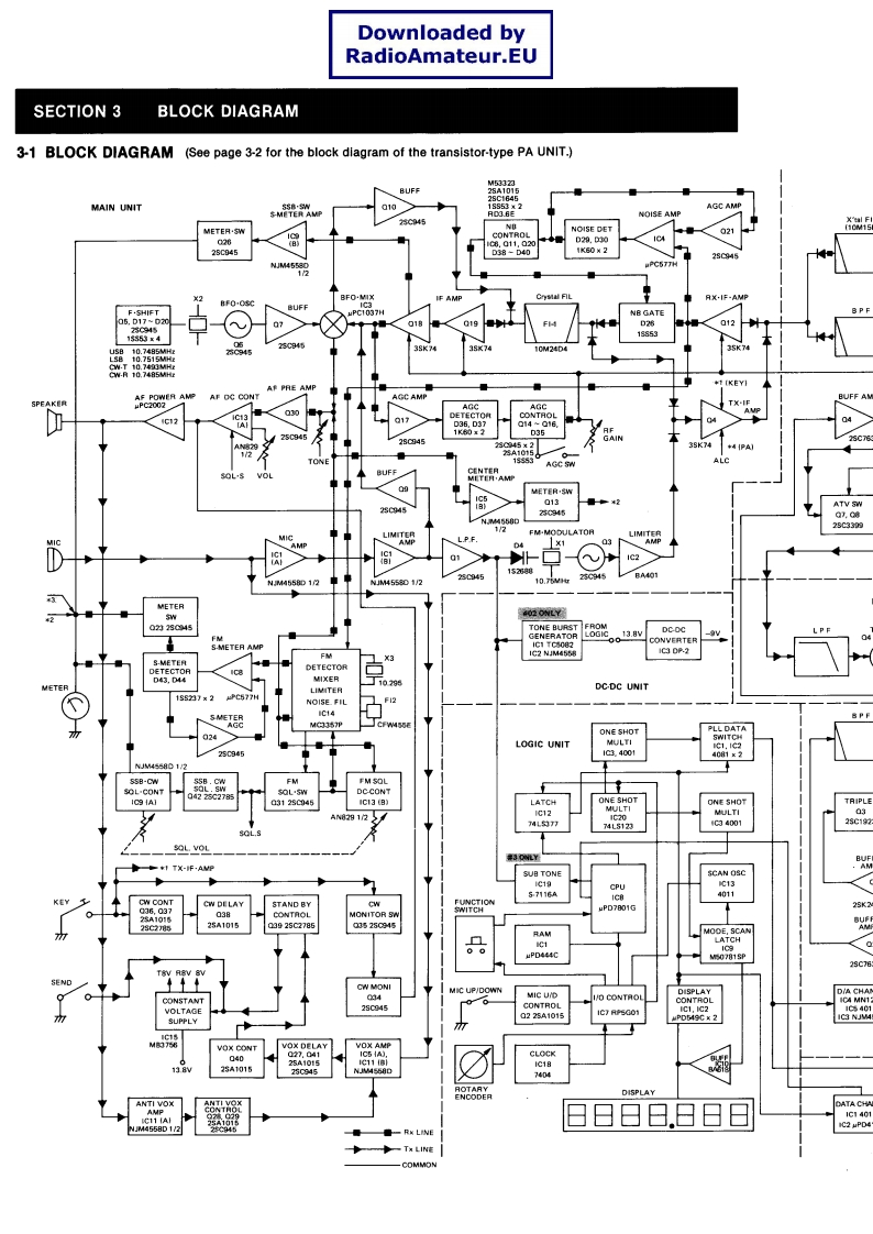
第8页 / 共190页

第9页 / 共190页

第10页 / 共190页
试读已结束,还剩180页,您可下载完整版后进行离线阅读
THE END
1200MHz ALL MODE TRANSCEIVERC-27A/ESERVICEMANUALDownloaded byRadioAmateur.EUDICOMICOMINCORPORATED1-8-19,Kamikuratsukurl,Hirano-ku,Osaka 547,JapanFax:00793-0013ICOM AMERICA,INC.ICOM (EUROPE GmbH2380 116th Avenue N.E..Himmelpeister Strasse 100Bellevue,WA 980044000 DOaseldorf 1.Ph0ne:200454-8155West GermanyTelex:230-152210 1COM AMER BVUEPt0n8:0211-346047Fax:200454-1509Taex:418588082C0MDFax:0211-333639Sulte 126.ICOM AUSTRALIA,PTY.,LTD.,Phone:21与55075257 Duke Street,Windsor 3181.Fmx:214560-7423Victorla,AustrallaPh0ne:0352975621777 Phoenlx Parkway,Suite 201,Telex:71-35521 ICOMASFax:03③5298485ICOM CANADA,LTD.3071-5 Road,Unit 9,Richmond,B.C.,VeX 2T4 CanadaPh0n0:80402737400Fax:8002731900
请登录后查看评论内容