ICOM艾可慕IC730_电器原理图

ICOM艾可慕IC730_电器原理图-找手册网
ICOM艾可慕IC730_电器原理图
此内容为付费资源,请付费后查看
1921
付费资源

第1页 / 共8页

第2页 / 共8页

第3页 / 共8页

第4页 / 共8页

第5页 / 共8页

第6页 / 共8页

第7页 / 共8页

第8页 / 共8页
已完成全部阅读,共8
THE END
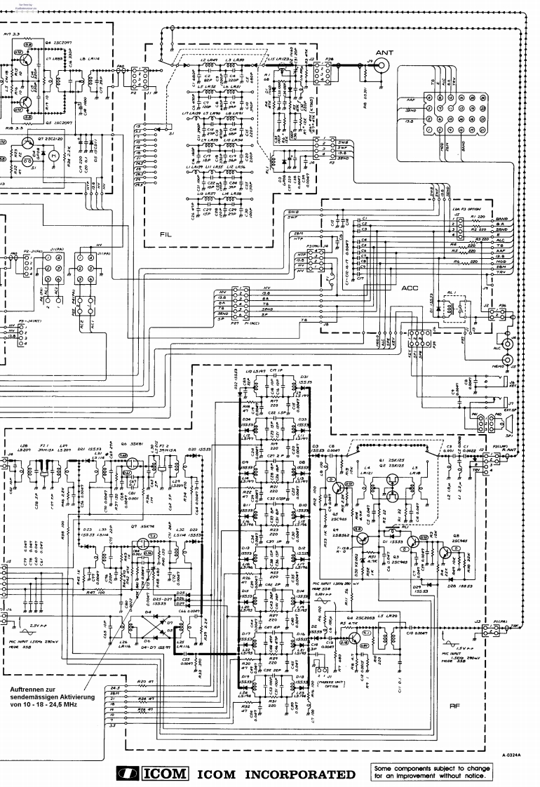
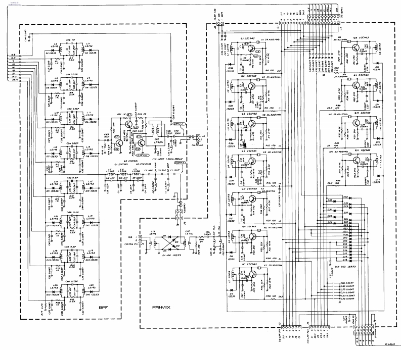
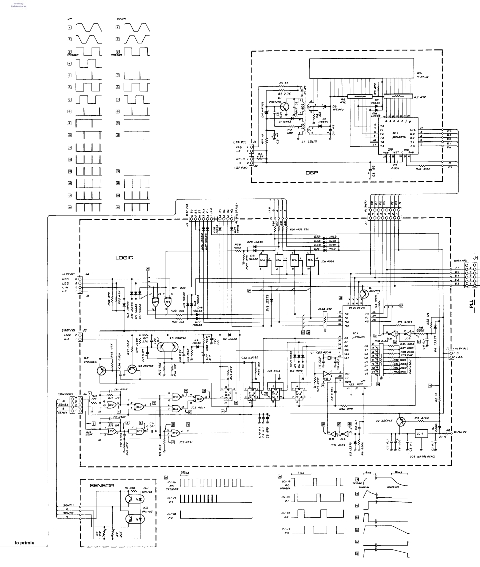
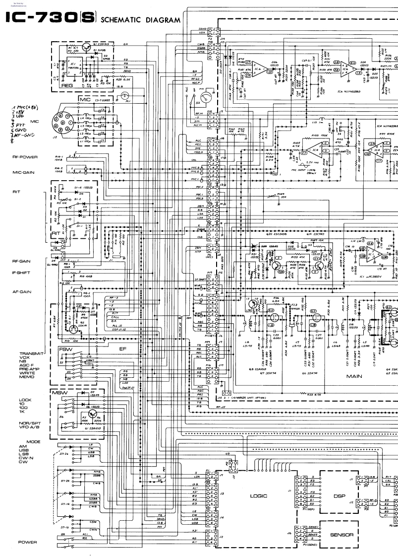
2d摩UWmHF UNIT1G01357409219▣1I EAMg0J504DI-D111A:EA0744新Q/AnghedvALE Cw02.m4号10425.92N.PA雨T#S4CrsNe De612◆2a1lCFAINNT1J刀9克,115明4DET UMITPHEMIX UNITAPF LMITBwc锈014DISFLAY UMIT/日12~34712515期44核435?w4013Cm40/e年cIANTe0线04.M2 0IC9I CI10125g04DUC中1角12C0112买6113N/0h1知年了CGAN4nLOGIC UNITPLL UMTFHIGLRNE711】4门门=A21E9OTHMAU45THTMOU1m1w9☑tNu
喜欢就支持一下吧
评论 抢沙发

请登录后发表评论

    请登录后查看评论内容