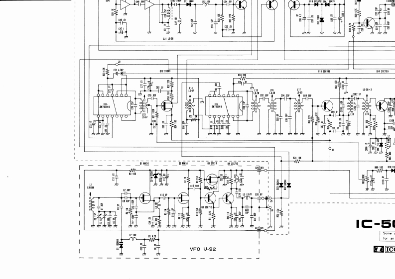
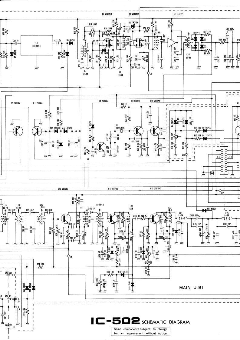
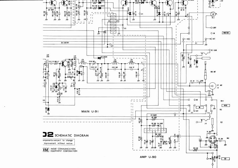
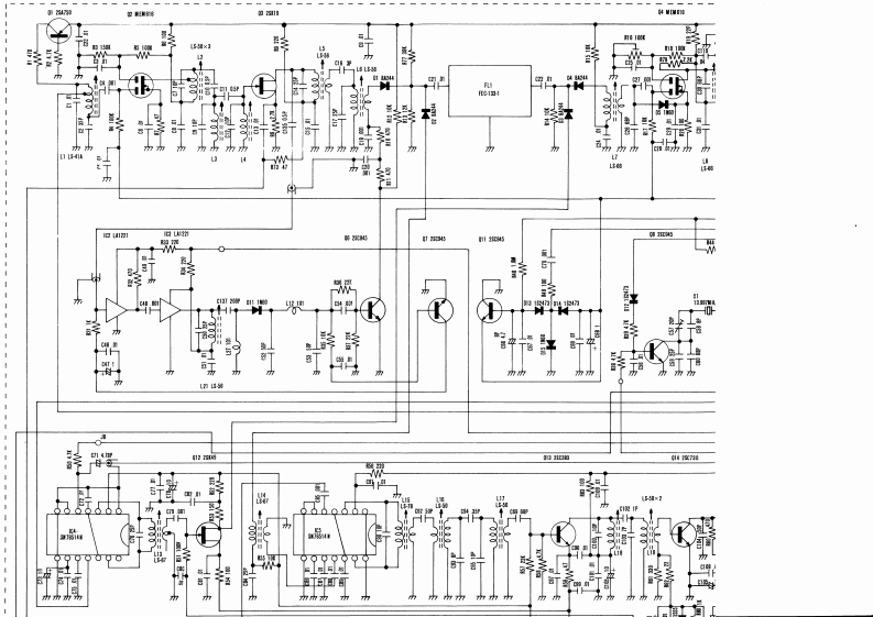
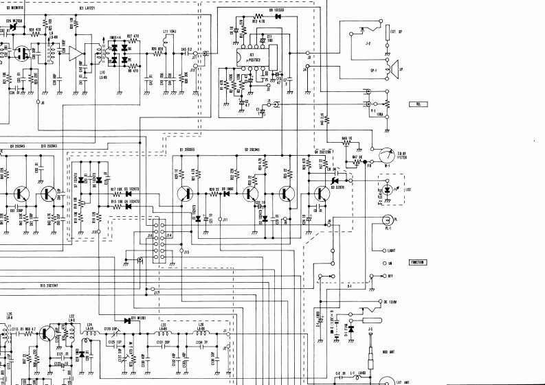
ICOM艾可慕IC-502_电器原理图找手册网31天前发布关注私信0.39MB5页031ICOM艾可慕IC-502_电器原理图此内容为付费资源,请付费后查看¥19¥21黄金会员免费钻石会员免费登录购买付费资源 第1页 / 共5页 第2页 / 共5页 第3页 / 共5页 第4页 / 共5页 第5页 / 共5页 已完成全部阅读,共5页 THE END艾可慕 文本预览 1L比g1列解深用ET 21051川1e5L112器出T可 查看更多 收起部分 喜欢就支持一下吧收藏
请登录后查看评论内容